Yamaha Outboard Parts - Lower Casing & Drive 2 - F9.9CMH (2001) | Flood Marine
New Search
Parts
New Outboards
Home
F9.9CMH (2001)
Lower Casing & Drive 2
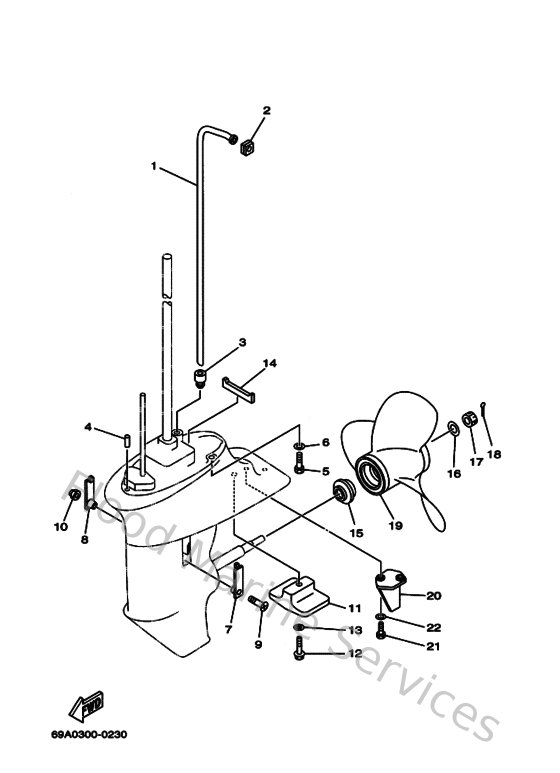
Diagram: Lower Casing & Drive 2
Parts List
Reference
Description
Price
1
66M443610000
Tube, Water 1
Loading…
↗
2
63V443651000
Damper, water seal 1
Loading…
↗
3
63V443680000
Rubber, water seal 4
Loading…
↗
4
9360410M0300
Pin, dowel (688)
Loading…
↗
5
970750803000
Bolt, hexagon (fj1)
Loading…
↗
6
929950860000
Washer, plain (663)
Loading…
↗
7
6G1452140000
Cover, water inlet
Loading…
↗
8
63V452150000
Cover, water inlet
Loading…
↗
9
9015205M0400
Screw, countersunk
Loading…
↗
10
901850500200
Nut nylon (sus)(ex4)
Loading…
↗
11
61N452510000
Anode
Loading…
↗
12
958950603000
Bolt, flange deep recess
Loading…
↗
13
929900630000
Washer, tooth
Loading…
↗
14
63V453750000
Damper, seal
Loading…
↗
15
6E7459870100
Spacer
Loading…
↗
16
9020110M0100
Washer, plate(6m7)
Loading…
↗
17
9017110M0100
Nut castle (683)
Loading…
↗
18
914903002000
Pin cotter
Loading…
↗
19
683459430000
Propeller (3x9-1/4"x10-1/2"-j)
Loading…
↗
20
66M453710000
Tab-trim
Loading…
↗
21
970950601600
Bolt, hexagon deep recess
Loading…
↗
22
929950660000
Washer, plain (646)
Loading…
↗