Yamaha Outboard Parts - Lower Casing & Drive 2 - FT25BE (2000) | Flood Marine
New Search
Parts
New Outboards
Home
FT25BE (2000)
Lower Casing & Drive 2
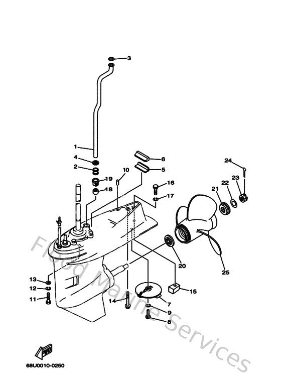
Diagram: Lower Casing & Drive 2
Parts List
Reference
Description
Price
1
62Y443610000
Tube, water
Loading…
↗
2
663443670000
Damper, water seal 3
Loading…
↗
3
902021206000
Washer, plate(663)
Loading…
↗
4
904301207200
Gasket
Loading…
↗
5
663453760000
Guide, seal damper
Loading…
↗
6
63D453750000
Damper, seal
Loading…
↗
7
67C453710000
Tab-trim
Loading…
↗
8
989800802500
Screw, bind(j36)
Loading…
↗
9
929950810000
Ybs67-8 washer, spring
Loading…
↗
10
936061201900
Pin, dowel (614)
Loading…
↗
11
970751004000
Bolt, hexagon deep recess
Loading…
↗
12
929951010000
Ybs67-10 washer, spring
Loading…
↗
13
929901060000
Washer, plate
Loading…
↗
14
9011908M4400
Bolt, with washer
Loading…
↗
15
67C452510000
Anode
Loading…
↗
16
970950803500
Bolt(70w)
Loading…
↗
18
663443660000
Damper, water seal 2
Loading…
↗
19
63D443120000
Cover, water pump housing
Loading…
↗
20
663459870200
Spacer
Loading…
↗
21
68U459970000
Spacer 2
Loading…
↗
22
929901620000
958-58204-00 washer,plain
Loading…
↗
23
901711601100
Nut, castle (663)
Loading…
↗
24
914903002500
Pin cotter
Loading…
↗
25
68U4594100EL
Propeller (3x12-1/4 x9 -g)
Loading…
↗