Yamaha Outboard Parts - Lower Casing & Drive 2 - FT9.9AMH (1988) | Flood Marine
New Search
Parts
New Outboards
Home
FT9.9AMH (1988)
Lower Casing & Drive 2
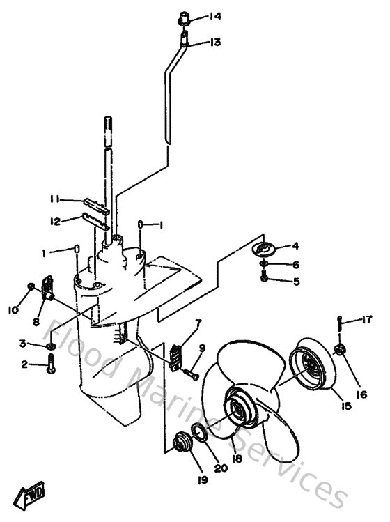
Diagram: Lower Casing & Drive 2
Parts List
Reference
Description
Price
1
936061201900
Pin, dowel (614)
Loading…
↗
2
970900803500
Bolt(70w)
Loading…
↗
3
929900860000
Washer, plain (663)
Loading…
↗
4
683452510000
Anode
Loading…
↗
5
970950601600
Bolt, hexagon deep recess
Loading…
↗
6
929900660000
Washer, plain (646)
Loading…
↗
7
6G8452140000
Cover, water inlet 1
Loading…
↗
8
6G8452150000
Cover, water inlet 2
Loading…
↗
9
986800552500
Ybs53-525 screw,flat head
Loading…
↗
10
901850500200
Nut nylon (sus)(ex4)
Loading…
↗
11
682453750100
Damper, seal
Loading…
↗
12
682453760100
Guide, seal damper
Loading…
↗
13
6G8443611000
Tube Water
Loading…
↗
14
626443650100
Damper, water seal 1
Loading…
↗
15
6G8459860000
Ring, deflector
Loading…
↗
16
9017110M0700
Nut, castle(6g8)
Loading…
↗
17
914903003000
Pin, cotter
Loading…
↗
18
6G8459410000
Propeller (pa 3x11-3/4"x11"-r)
Loading…
↗
19
6G8459870000
Spacer
Loading…
↗
20
9020131MA300
Washer, plate (6g8)
Loading…
↗