Yamaha Outboard Parts - Lower Casing & Drive 2 - L150CETOL (1990) | Flood Marine
New Search
Parts
New Outboards
Home
L150CETOL (1990)
Lower Casing & Drive 2
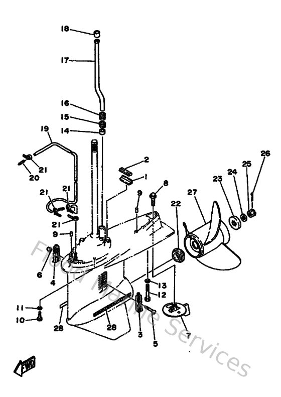
Diagram: Lower Casing & Drive 2
Parts List
Reference
Description
Price
1
663453760094
Guide, seal damper
Loading…
↗
2
688453750000
Damper, seal 2
Loading…
↗
3
6J9452140000
Cover, water inlet
Loading…
↗
4
6J9452150000
Cover, water inlet
Loading…
↗
5
9015205M0800
Screw, countersunk
Loading…
↗
6
901850500200
Nut nylon (sus)(ex4)
Loading…
↗
7
6K1453710200
Tab-trim
Loading…
↗
8
9010510M0000
Bolt, hexagon (663)
Loading…
↗
9
9360812M0500
Pin, dowel b (6e5)
Loading…
↗
10
973951004500
Bolt(64d)
Loading…
↗
11
929901010000
Ybs67-10 washer, spring
Loading…
↗
12
970951007000
Bolt, hexagon
Loading…
↗
14
6E5443650000
Damper, water seal 1
Loading…
↗
15
6E5443120000
Cover, water pump housing
Loading…
↗
16
6E5443660000
Damper, water seal 2
Loading…
↗
17
6E5443612000
Tube, water
Loading…
↗
19
9044507MF000
Hose (l1160)
Loading…
↗
20
6E5835580000
End, nipple
Loading…
↗
21
904651009800
Clamp
Loading…
↗
22
6E5459870000
Spacer 1
Loading…
↗
23
688459970100
Spacer 2
Loading…
↗
24
929901820000
Washer (6e5)
Loading…
↗
25
9017118M0400
Nut, castle (6e5)
Loading…
↗
26
914904003000
Pin, cotter (663)
Loading…
↗
27
6K1459700098
Propeller (3x15-1/4"x15"-ml)
Loading…
↗