Yamaha Outboard Parts - Lower Casing & Drive 2 (USA) - F9.9BMH (1997) | Flood Marine
New Search
Parts
New Outboards
Home
F9.9BMH (1997)
Lower Casing & Drive 2 (USA)
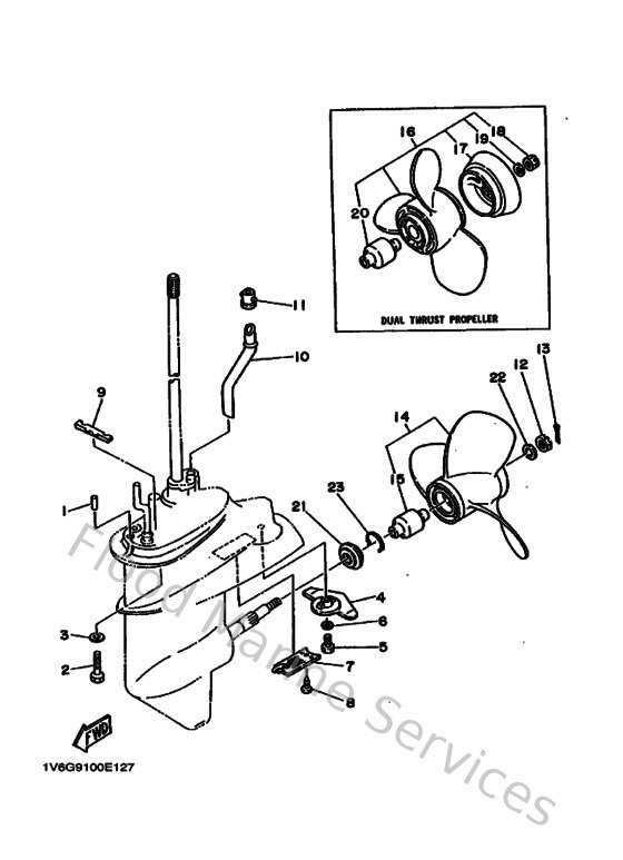
Diagram: Lower Casing & Drive 2 (USA)
Parts List
Reference
Description
Price
1
936061201900
Pin, dowel (614)
Loading…
↗
2
970950803500
Bolt(70w)
Loading…
↗
3
929900860000
Washer, plain (663)
Loading…
↗
4
6E8452510200
Anode
Loading…
↗
5
958950602000
Bolt, flange(jk3)
Loading…
↗
6
929900630000
Washer, tooth
Loading…
↗
7
6E7452140000
Cover, water inlet
Loading…
↗
8
985800501200
Screw,pan head (646)
Loading…
↗
9
682453750100
Damper, seal
Loading…
↗
10
6G8443611000
Tube Water
Loading…
↗
11
626443650100
Damper, water seal 1
Loading…
↗
12
9017110M0100
Nut castle (683)
Loading…
↗
13
914903002000
Pin cotter
Loading…
↗
14
683459520000
Propeller (3X9-1/4"x9-3/4"-J)
Loading…
↗
15
683459810000
Damper rubber, propeller
Loading…
↗
16
683W45920200
Propeller (3x9-3/4"x6-1/2"-j)
Loading…
↗
17
6E7459860000
Ring, deflector
Loading…
↗
18
9017110M0700
Nut, castle(6g8)
Loading…
↗
19
9020110M0200
Washer, plate(6g9)
Loading…
↗
20
683459811000
Damper rubber, propeller
Loading…
↗
21
6G9459870000
Spacer
Loading…
↗
22
9020110M0100
Washer, plate(6m7)
Loading…
↗
23
9345010M0500
Circlip(6g9)
Loading…
↗