Yamaha Outboard Parts - Lower Casing & Drive 3 - L200FETOL (1996) | Flood Marine
New Search
Parts
New Outboards
Home
L200FETOL (1996)
Lower Casing & Drive 3
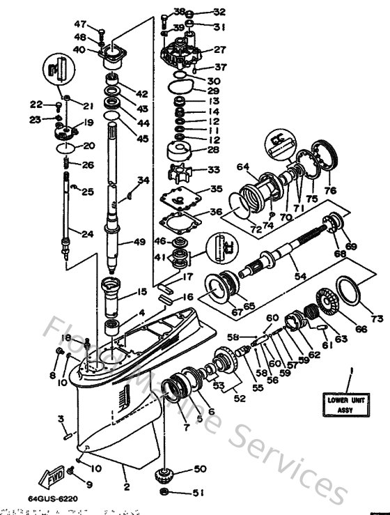
Diagram: Lower Casing & Drive 3
Parts List
Reference
Description
Price
1
64G45300208D
Lower Unit Assembly (Ref. #2~76)
Loading…
↗
2
6J945301038D
Casing, lower
Loading…
↗
3
916903001600
Pin, spring
Loading…
↗
4
93311928U500
Bearing, needle (6g5)
Loading…
↗
5
93390000U200
Bearing(6k0)
Loading…
↗
6
93341465U400
Bearing, thrust (6k0)
Loading…
↗
7
6G5455676000
Shim (t:0.50mm)
Loading…
↗
8
9034008M0400
Plug, straight screw
Loading…
↗
9
688453411000
Plug, drain
Loading…
↗
10
904300802000
Gasket
Loading…
↗
11
9020622M1900
Washer, wave(61a)
Loading…
↗
12
9020122M0100
Washer, plate(61a)
Loading…
↗
13
61A455270000
Collar, drive shaft
Loading…
↗
14
61A455380000
Spacer, 1
Loading…
↗
15
6G5455360100
Sleeve, drive shaft
Loading…
↗
16
64D453760094
Guide, seal damper
Loading…
↗
17
688453750000
Damper, seal 2
Loading…
↗
18
6J8453780000
Nipple, hose (plug)
Loading…
↗
20
932105867700
O-ring(47x)
Loading…
↗
21
931060901400
Oil seal
Loading…
↗
22
970950602000
Bolt(7u8)
Loading…
↗
23
9020906M0400
Washer
Loading…
↗
24
6K1441500100
Shift cam assembly
Loading…
↗
25
990010860000
Circlip(2r6)
Loading…
↗
26
9050111M1000
Spring, compression (663)
Loading…
↗
27
61A443110100
Housing, water pump
Loading…
↗
28
61A443220000
Insert, cartridge
Loading…
↗
29
9321086M3800
O-ring (6e5)
Loading…
↗
30
9321037M6700
O-ring (6g8)
Loading…
↗
31
6E5443650000
Damper, water seal 1
Loading…
↗
32
6E5443120000
Cover, water pump housing
Loading…
↗
33
6E5443520000
Impeller
Loading…
↗
34
9028004M0500
Key, woodruff (6e5)
Loading…
↗
35
6G5443230000
Outer plate, cartridge
Loading…
↗
36
6E544315A000
Gasket,water pump
Loading…
↗
37
936061201900
Pin, dowel (614)
Loading…
↗
38
970950804500
Bolt, hexagon
Loading…
↗
39
9020908M0200
Washer, plate (688)
Loading…
↗
40
6E5453310094
Housing, bearing
Loading…
↗
41
9310128M1600
Oil seal (6e5)
Loading…
↗
42
93315430V500
Bearing, cylindrical(6k0)
Loading…
↗
43
6E5455876000
Shim (t:0.50mm)
Loading…
↗
44
93341930V200
Bearing, thrust(64d)
Loading…
↗
45
932105453400
O-ring (70e)
Loading…
↗
46
6E5453440000
Cover, oil seal
Loading…
↗
47
970950802500
Bolt (62g)
Loading…
↗
48
929950860000
Washer, plain (663)
Loading…
↗
49
6G5455012100
Drive shaft comp.
Loading…
↗
50
6G5455010100
Drive shaft comp.
Loading…
↗
51
9017016M0100
Nut, hexagon (688)
Loading…
↗
52
6K1455600100
Gear
Loading…
↗
53
93315425V300
Bearing, needle (6g5)
Loading…
↗
54
6K1456111000
Shaft, propeller
Loading…
↗
55
6K1456410000
Shifter
Loading…
↗
56
6E5456340100
Slide, shift
Loading…
↗
57
9050116M3700
Spring (6g5)
Loading…
↗
58
935073203100
Ball (12r)
Loading…
↗
59
935113202700
Ball (498)
Loading…
↗
60
935031600300
Ball
Loading…
↗
61
9025008M0700
Pin, straight (6g5)
Loading…
↗
62
6G5456310000
Clutch, dog
Loading…
↗
63
6E5456330100
Ring, cross pin
Loading…
↗
64
6K1453320194
Housing, bearing
Loading…
↗
65
933320004800
Bearing(6k0)
Loading…
↗
66
6K1455702000
Gear
Loading…
↗
67
6K1455760000
Washer, thrust
Loading…
↗
68
93341440U500
Bearing, thrust (6k0)
Loading…
↗
69
6K1455780130
Shim (t:0.30mm)
Loading…
↗
70
933154306100
Bearing
Loading…
↗
71
9310130M1700
Oil seal (6e5)
Loading…
↗
72
9321097M5500
O-ring (6g5)
Loading…
↗
73
6G5455776000
Shim (t:0.50mm)
Loading…
↗
74
9028204M0000
Key, straight(6g5)
Loading…
↗
75
6G5453830100
Washer, claw
Loading…
↗
76
6G5453840000
Nut
Loading…
↗