Yamaha Outboard Parts - Lower Casing & Drive 3 - L250AETO (2000) | Flood Marine
New Search
Parts
New Outboards
Home
L250AETO (2000)
Lower Casing & Drive 3
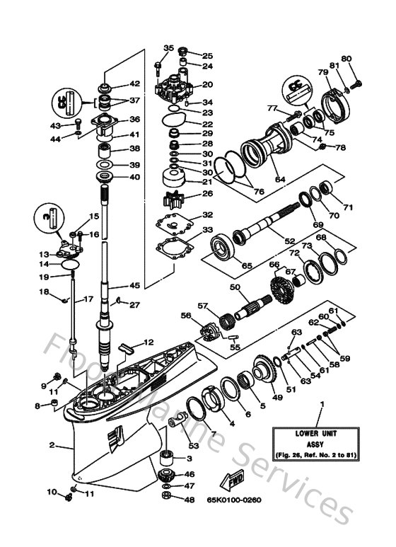
Diagram: Lower Casing & Drive 3
Parts List
Reference
Description
Price
2
61A45301038D
Casing, lower
Loading…
↗
3
93311832V200
Ball bearing
Loading…
↗
4
61B455380100
Spacer 1
Loading…
↗
5
93315660W300
Bearing, cylindrical(61b)
Loading…
↗
6
93341670V000
Bearing, thrust (61b)
Loading…
↗
7
61A455670030
Shim (t:0.30mm)
Loading…
↗
8
663443660000
Damper, water seal 2
Loading…
↗
9
9034008M0400
Plug, straight screw
Loading…
↗
10
688453410000
Plug, drain
Loading…
↗
11
904300800300
Gasket
Loading…
↗
12
61A453760094
Guide, seal damper
Loading…
↗
13
61A453210100
Plate
Loading…
↗
14
932106448800
93210-64488
Loading…
↗
15
931060901400
Oil seal
Loading…
↗
16
9011906M1000
Bolt, with washer
Loading…
↗
17
61B441500000
Shift cam assembly
Loading…
↗
18
934300800600
Circlip(2r6)
Loading…
↗
19
9050111M1000
Spring, compression (663)
Loading…
↗
20
61A443110100
Housing, water pump
Loading…
↗
21
61A443220200
Insert, cartridge
Loading…
↗
22
9321086M3800
O-ring (6e5)
Loading…
↗
23
932103716000
O-ring (6g8)
Loading…
↗
24
6E5443650000
Damper, water seal 1
Loading…
↗
25
6E5443120000
Cover, water pump housing
Loading…
↗
26
6E5443520100
Impeller
Loading…
↗
27
9028004M0500
Key, woodruff (6e5)
Loading…
↗
28
61A455380000
Spacer, 1
Loading…
↗
29
61A455270000
Collar, drive shaft
Loading…
↗
30
9020122M0100
Washer, plate(61a)
Loading…
↗
31
9020622M1900
Washer, wave(61a)
Loading…
↗
32
6G5443230000
Outer plate, cartridge
Loading…
↗
33
6E544315A000
Gasket,water pump
Loading…
↗
34
936061201900
Pin, dowel (614)
Loading…
↗
35
9011908M1400
Bolt, with washer
Loading…
↗
36
61A45331009S
Housing, bearing
Loading…
↗
37
9310128M1600
Oil seal (6e5)
Loading…
↗
38
93317330U200
Bearing, cylindrical(6k0)
Loading…
↗
39
61A455870030
Shim (t:0.30mm)
Loading…
↗
40
933419302000
Bearing
Loading…
↗
41
9321055M1400
O-ring (70e)
Loading…
↗
42
6E5453440000
Cover, oil seal
Loading…
↗
43
989800802500
Screw, bind(j36)
Loading…
↗
44
929950860000
Washer, plain (663)
Loading…
↗
45
61A455012000
Drive shaft comp.
Loading…
↗
46
61A455510300
Pinion
Loading…
↗
47
9020116M0000
Washer, plate(6t5)
Loading…
↗
48
9017016M1900
Nut(6t5)
Loading…
↗
49
61B455600100
Gear
Loading…
↗
50
61B456110100
Shaft, propeller
Loading…
↗
51
9020129M0100
Washer, plate(61b)
Loading…
↗
52
61B456112000
Shaft, propeller
Loading…
↗
53
61B456410000
Shifter
Loading…
↗
54
61A456340100
Slide, shift
Loading…
↗
55
61A456320000
Pin, cross
Loading…
↗
56
61A456310300
Clutch, dog
Loading…
↗
57
61A456330000
Ring, cross pin
Loading…
↗
58
6H1456680000
Shaft, free 1
Loading…
↗
59
61A456350000
Plunger, shift
Loading…
↗
60
9020102M0000
Washer, plate(61a)
Loading…
↗
61
9018302M0300
Nut, spring (6h1)
Loading…
↗
62
9050110M7700
Spring, compression(61a)
Loading…
↗
63
935010401100
Ball
Loading…
↗
64
61B453320194
Housing, bearing
Loading…
↗
65
93332000W200
Bearing(61b)
Loading…
↗
66
61B455700300
Gear
Loading…
↗
67
93315430U800
Bearing
Loading…
↗
68
61A455776000
Shim (t:0.50mm)
Loading…
↗
69
93341440U500
Bearing, thrust (6k0)
Loading…
↗
70
6K1455786000
Shim (t:0.50mm)
Loading…
↗
71
93315440V600
Bearing, cylindrical(6k0)
Loading…
↗
72
61B453840000
Nut
Loading…
↗
73
61B453830000
Washer, claw
Loading…
↗
74
933154306100
Bearing
Loading…
↗
75
9310130M1700
Oil seal (6e5)
Loading…
↗
76
932110438400
O-ring (705)
Loading…
↗
77
9010508M4800
Bolt, Flange
Loading…
↗
78
9370009M0000
Nipple, grease(6t4)
Loading…
↗
79
61A45361018D
Cap, lower casing
Loading…
↗
80
970950802000
Bolt, hexagon
Loading…
↗