Yamaha Outboard Parts - Lower Casing. Drive 1 - 250BETOXL (1998) | Flood Marine
New Search
Parts
New Outboards
Home
250BETOXL (1998)
Lower Casing. Drive 1
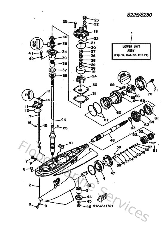
Diagram: Lower Casing. Drive 1
Parts List
Reference
Description
Price
1
65J45300208D
Lower Unit assembly
Loading…
↗
2
61A45301038D
Casing, lower
Loading…
↗
3
93311832V200
Ball bearing
Loading…
↗
4
93332000W100
Bearing(61a)
Loading…
↗
5
61A455676000
Shim (t:0.50mm)
Loading…
↗
6
663443660000
Damper, water seal 2
Loading…
↗
7
9034008M0400
Plug, straight screw
Loading…
↗
8
688453411000
Plug, drain
Loading…
↗
9
904300802000
Gasket
Loading…
↗
10
61A453760094
Guide, seal damper
Loading…
↗
11
61A453210100
Plate
Loading…
↗
12
932106448800
93210-64488
Loading…
↗
13
931060901400
Oil seal
Loading…
↗
14
9011906M1000
Bolt, with washer
Loading…
↗
15
61A441500100
Shift cam assembly
Loading…
↗
16
934300800600
Circlip(2r6)
Loading…
↗
17
9050111M1000
Spring, compression (663)
Loading…
↗
18
61A443110100
Housing, water pump
Loading…
↗
19
61A443220100
Insert, cartridge
Loading…
↗
20
9321086M3800
O-ring (6e5)
Loading…
↗
21
9321037M6700
O-ring (6g8)
Loading…
↗
22
6E5443650000
Damper, water seal 1
Loading…
↗
23
6E5443120000
Cover, water pump housing
Loading…
↗
24
6E5443520000
Impeller
Loading…
↗
25
9028004M0500
Key, woodruff (6e5)
Loading…
↗
26
61A455380000
Spacer, 1
Loading…
↗
27
61A455270000
Collar, drive shaft
Loading…
↗
28
9020122M0100
Washer, plate(61a)
Loading…
↗
29
9020622M1900
Washer, wave(61a)
Loading…
↗
30
6G5443230000
Outer plate, cartridge
Loading…
↗
31
6E544315A000
Gasket,water pump
Loading…
↗
32
936061201900
Pin, dowel (614)
Loading…
↗
33
9011908M1400
Bolt, with washer
Loading…
↗
34
61A453310094
Housing, bearing
Loading…
↗
35
9310128M1600
Oil seal (6e5)
Loading…
↗
36
93315430V500
Bearing, cylindrical(6k0)
Loading…
↗
37
61A455876000
Shim (t:0.50mm)
Loading…
↗
38
933419302000
Bearing
Loading…
↗
39
9321055M1400
O-ring (70e)
Loading…
↗
40
6E5453440000
Cover, oil seal
Loading…
↗
41
970950802500
Bolt (62g)
Loading…
↗
42
929950860000
Washer, plain (663)
Loading…
↗
43
61A455013000
Drive shaft comp.
Loading…
↗
44
61A455510100
Pinion
Loading…
↗
45
9020116M0000
Washer, plate(6t5)
Loading…
↗
46
9017016M1900
Nut(6t5)
Loading…
↗
47
61A455600200
Gear
Loading…
↗
48
69J456110000
Shaft, propeller
Loading…
↗
49
61A456410100
Shifter
Loading…
↗
50
61A456340100
Slide, shift
Loading…
↗
51
61A456320000
Pin, cross
Loading…
↗
52
61A456310200
Clutch, dog
Loading…
↗
53
61A456330000
Ring, cross pin
Loading…
↗
54
6H1456680000
Shaft, free 1
Loading…
↗
55
61A456350000
Plunger, shift
Loading…
↗
56
9020102M0000
Washer, plate(61a)
Loading…
↗
57
9018302M0300
Nut, spring (6h1)
Loading…
↗
58
9050110M7700
Spring, compression(61a)
Loading…
↗
59
935010401100
Ball
Loading…
↗
60
61A453320294
Housing, bearing
Loading…
↗
61
93306210U000
Bearing(61a)
Loading…
↗
62
61A455710000
Gear
Loading…
↗
63
9020131M0000
Washer, plate(61a)
Loading…
↗
64
61A455776000
Shim (t:0.50mm)
Loading…
↗
65
933154306100
Bearing
Loading…
↗
66
9310130M1700
Oil seal (6e5)
Loading…
↗
67
932110438400
O-ring (705)
Loading…
↗
68
9010508M4800
Bolt, Flange
Loading…
↗
69
9370009M0000
Nipple, grease(6t4)
Loading…
↗
70
61A45361015B
Cap, lower casing
Loading…
↗
71
975950852000
Bolt(6td)
Loading…
↗