Yamaha Outboard Parts - Lower Casing. Drive 1 - 30GMH (2001) | Flood Marine
New Search
Parts
New Outboards
Home
30GMH (2001)
Lower Casing. Drive 1
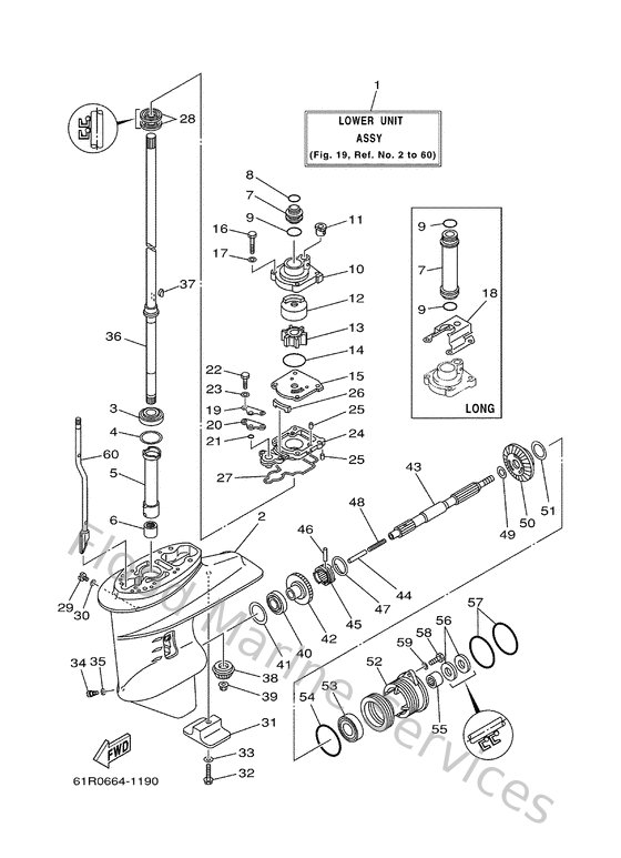
Diagram: Lower Casing. Drive 1
Parts List
Reference
Description
Price
1
61N45300004D
Lower unit assembly
Loading…
↗
2
61N45311028D
Casing, lower
Loading…
↗
3
93332000W500
Bearing(61n)
Loading…
↗
4
61N455874000
Shim (t:1.3mm)
Loading…
↗
5
61N455360000
Sleeve, drive shaft
Loading…
↗
6
93315220V700
Bearing, cylindrical(6j8)
Loading…
↗
7
61N443620000
Tube, water
Loading…
↗
8
932102216400
O-ring
Loading…
↗
9
932102613000
O-ring
Loading…
↗
10
61N443110100
Housing, water pump
Loading…
↗
11
6L2443670000
Damper, water seal 3
Loading…
↗
12
61N443224100
Insert, cartridge
Loading…
↗
13
6H4443520200
Impeller
Loading…
↗
14
932104516100
O-ring
Loading…
↗
15
61N443234000
Outer plate, cartridge
Loading…
↗
16
970950604000
Bolt (682)
Loading…
↗
17
929900660000
Washer, plain (646)
Loading…
↗
19
61N441760000
Bracket
Loading…
↗
20
61N453210000
Plate
Loading…
↗
21
9321006ME600
O-ring
Loading…
↗
22
970950602500
Bolt
Loading…
↗
24
61N45331005B
Housing, bearing
Loading…
↗
25
9360410M0300
Pin, dowel (688)
Loading…
↗
26
61N451270000
Seal
Loading…
↗
27
61N453150000
Packing, lower casing
Loading…
↗
28
931012206700
Oil seal (22x36x6-663)
Loading…
↗
29
9034008M0400
Plug, straight screw
Loading…
↗
30
904300802000
Gasket
Loading…
↗
31
61N452510100
Anode
Loading…
↗
32
958950603500
Bolt, flange(4nx)
Loading…
↗
33
929900630000
Washer, tooth
Loading…
↗
34
688453410000
Plug, drain
Loading…
↗
36
61N455100000
Drive shaft assembly
Loading…
↗
37
902800302400
Key, woodruff(662)
Loading…
↗
38
61N455510000
Pinion
Loading…
↗
39
9017910M1400
Nut(6j8)
Loading…
↗
40
933320000500
Brg,cyl-cal roller 0.19g nt
Loading…
↗
41
6L2455674000
Shim (t:1.4mm)
Loading…
↗
42
61N455601000
Gear
Loading…
↗
43
6L2456110000
Shaft, propeller
Loading…
↗
44
648456350000
Plunger,shift
Loading…
↗
45
6FM456310000
Clutch, dog
Loading…
↗
46
902500501000
Pin straight 648456320000
Loading…
↗
47
648456330000
Ring, cross pin
Loading…
↗
48
905011006500
Spring compression648456360000
Loading…
↗
49
902012041700
Washer, plate(663)
Loading…
↗
50
61N455710000
Gear
Loading…
↗
51
6L2455770000
Shim (t:1.0mm)
Loading…
↗
52
61N45361014D
Cap, lower casing
Loading…
↗
53
933060061200
Bearing(2hr)
Loading…
↗
54
9321064ME700
O-ring
Loading…
↗
55
933152200400
Brg,cyl-cal roller 21g nt
Loading…
↗
56
9310120M0700
Oil seal
Loading…
↗
57
9321065M5000
O-ring
Loading…
↗
58
970750602000
Bolt(7u8)
Loading…
↗
59
929950660000
Washer, plain (646)
Loading…
↗
60
61N441500000
Shift cam assembly
Loading…
↗