Yamaha Outboard Parts - Magneto - 200BETOL (1993) | Flood Marine
New Search
Parts
New Outboards
Home
200BETOL (1993)
Magneto
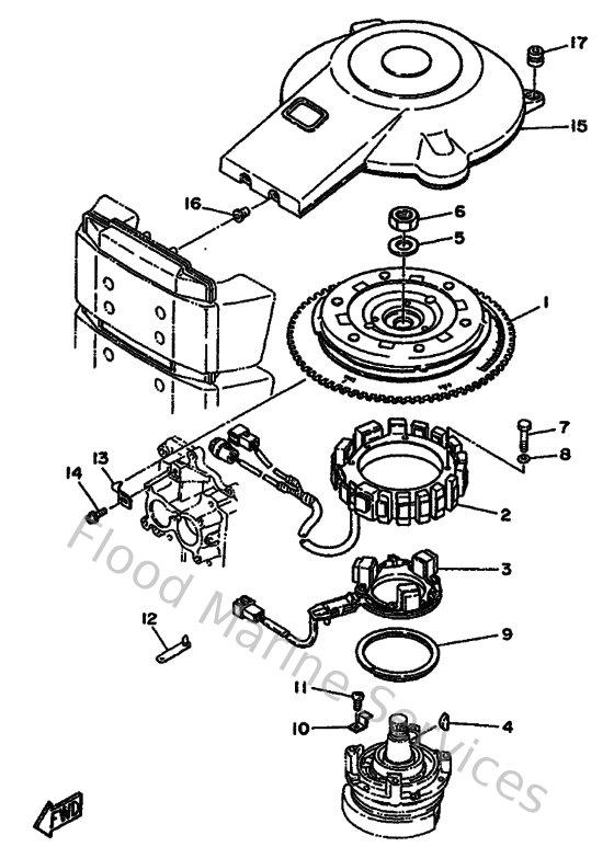
Diagram: Magneto
Parts List
Reference
Description
Price
1
6R3855500000
Rotor Assembly
Loading…
↗
2
6R3855100000
Stator assembly
Loading…
↗
3
6R3855800000
Coil, Pulser
Loading…
↗
4
902800504900
Key, woodruff (12r)
Loading…
↗
5
9020121M1800
Washer, plate (663)
Loading…
↗
6
901702013700
Nut, hexagon(663)
Loading…
↗
7
973130607000
Bolt(62j)
Loading…
↗
8
929900660000
Washer, plain (646)
Loading…
↗
9
688416110000
Retainer, magneto base 1
Loading…
↗
10
688416120000
Retainer, magneto base 2
Loading…
↗
11
985030601800
Screw, pan head(6e5)
Loading…
↗
13
6E5813320000
Plate, timing
Loading…
↗
14
979850621000
Screw pan head
Loading…
↗
15
6R3813370000
Cover, Flywheel
Loading…
↗
16
6G5823170000
Damper
Loading…
↗
17
663823170000
Damper, ignition coil
Loading…
↗