Yamaha Outboard Parts - Magneto - 40HM (1987) | Flood Marine

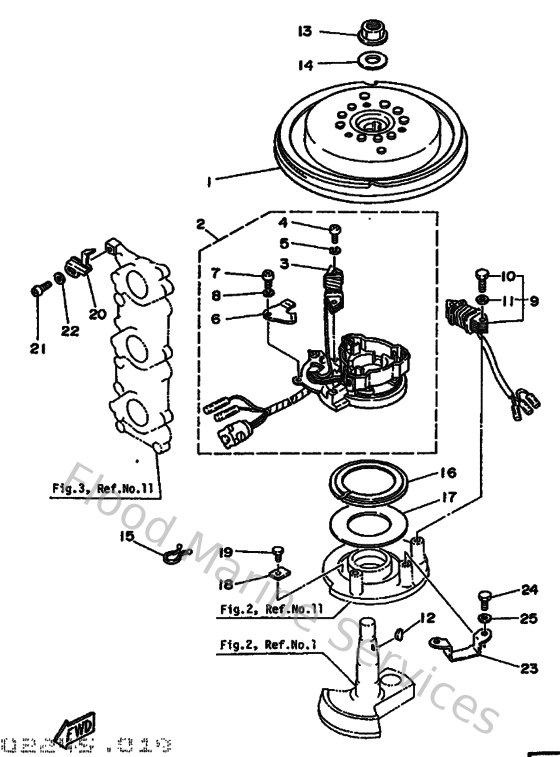
Diagram: Magneto

Diagram