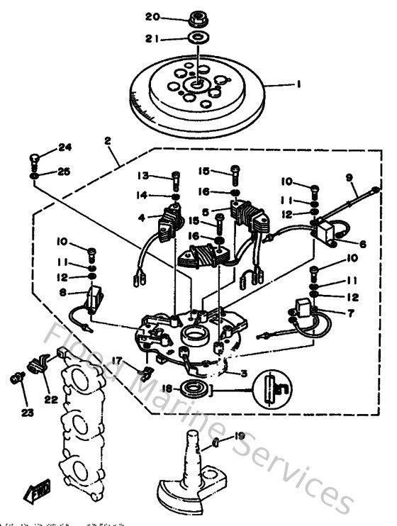
Yamaha Outboard Parts - Magneto - 40HM (1992) | Flood Marine

Diagram: Magneto

Diagram