Yamaha Outboard Parts - Magneto - 50DEMTO (1985) | Flood Marine
New Search
Parts
New Outboards
Home
50DEMTO (1985)
Magneto
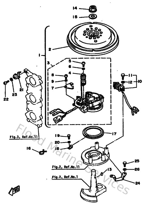
Diagram: Magneto
Parts List
Reference
Description
Price
3
6H485510F000
Stator Assembly
Loading…
↗
4
6H4855200000
Coil, Charge
Loading…
↗
5
978020602000
Screw pan head
Loading…
↗
6
929020610000
Washer(6a1)
Loading…
↗
7
6H4855480000
Clamp, cord
Loading…
↗
8
985800500800
Screw, pan head (7g3)
Loading…
↗
9
929020510000
Ybs67-5 washer, spring
Loading…
↗
10
6H481303A000
Lighting Coil Assembly
Loading…
↗
11
973130602500
Bolt
Loading…
↗
12
929030660000
Washer, plain (646)
Loading…
↗
14
9017916M0500
Nut (689)
Loading…
↗
15
9020116M4400
Washer (689)
Loading…
↗
16
9046408M0700
Clamp
Loading…
↗
17
6H3416110000
Retainer, Magneto Base
Loading…
↗
19
973130601600
Bolt, hexagon deep recess
Loading…
↗
21
6H4813320000
Plate, timing
Loading…
↗
22
978850501000
Screw, pan head(62x)
Loading…
↗
23
929030560000
Washer, plain (646)
Loading…
↗
24
6H4416130000
Base Friction Plat
Loading…
↗
25
973130601200
Bolt(gh1)
Loading…
↗