Yamaha Outboard Parts - Oil Pan - FT9.9DMHSL (1999) | Flood Marine
New Search
Parts
New Outboards
Home
FT9.9DMHSL (1999)
Oil Pan
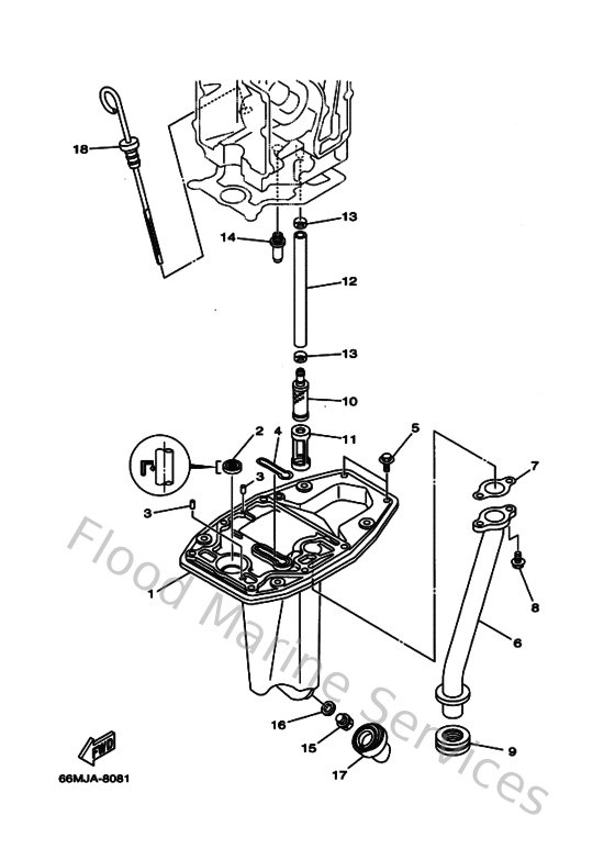
Diagram: Oil Pan
Parts List
Reference
Description
Price
1
66M41137005B
Guide, exhaust
Loading…
↗
2
9310112M6300
Oil seal
Loading…
↗
3
936061201900
Pin, dowel (614)
Loading…
↗
4
66M113550000
Seal, cylinder 1
Loading…
↗
5
970800602000
Bolt(7u8)
Loading…
↗
6
66M411310194
Manifold, Ext. 1
Loading…
↗
7
66M411330000
Gasket, exhaust manifold 1
Loading…
↗
8
9011906M4100
Bolt, with washer(6r6)
Loading…
↗
9
66M411380000
Seal, ext. 1
Loading…
↗
10
66M134210000
Strainer 2
Loading…
↗
11
66M134170000
Cover, Strainer
Loading…
↗
12
66M134160000
Pipe Oil 1
Loading…
↗
13
66M243510000
Band 1
Loading…
↗
14
6G8115750000
Relief valve ass'y
Loading…
↗
15
9034014M0600
Plug, straight screw(62y)
Loading…
↗
16
9043014M0900
Gasket
Loading…
↗
17
66M153160000
Damper 1
Loading…
↗
18
66M153620000
Plug, Oil Level
Loading…
↗