Yamaha Outboard Parts - Oil Pump - 250AETOXLX (1998) | Flood Marine
New Search
Parts
New Outboards
Home
250AETOXLX (1998)
Oil Pump
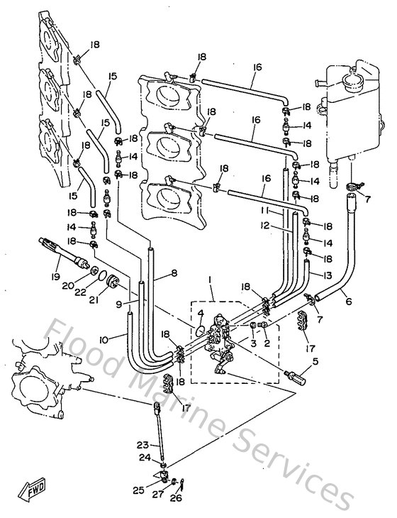
Diagram: Oil Pump
Parts List
Reference
Description
Price
1
62J132000000
Oil Injection Pump Assembly
Loading…
↗
2
716244440000
Screw
Loading…
↗
3
1YU131870000
Gasket, breather bolt
Loading…
↗
4
9321019M8200
O-ring(6j8)
Loading…
↗
5
9010906M4000
Bolt(6h0)
Loading…
↗
6
61A134160000
Pipe Oil 1
Loading…
↗
7
904651009800
Clamp
Loading…
↗
8
9044507M7700
Hose (l390)
Loading…
↗
9
9044507M7200
Hose (l390)
Loading…
↗
10
9044507MA300
Hose (l200)
Loading…
↗
12
9044507M9000
Hose (l390)
Loading…
↗
13
9044507M0200
Hose (l200)
Loading…
↗
14
6R3131831000
Valve, check
Loading…
↗
15
9044507M8700
Hose(62t)
Loading…
↗
16
9044507M0700
Hose(62t)
Loading…
↗
17
9046407M0500
Clamp (6g5)
Loading…
↗
18
9046807M0200
Clip (6e5)
Loading…
↗
19
61A115370000
Gear, driven
Loading…
↗
20
9020109M0100
Washer, plate(61b)
Loading…
↗
21
61A131170000
Collar, distance
Loading…
↗
22
9321018MA900
O-ring(61a)
Loading…
↗
23
61A412370000
Joint, link
Loading…
↗
24
953800560000
Nut, hexagon (663)
Loading…
↗
25
6H1412370000
Joint, link
Loading…
↗
26
914901201200
Pin, cotter (6g8)
Loading…
↗
27
902020508800
Washer, plate (666)
Loading…
↗