Yamaha Outboard Parts - Oil Pump - 90AETOL (1987) | Flood Marine
New Search
Parts
New Outboards
Home
90AETOL (1987)
Oil Pump
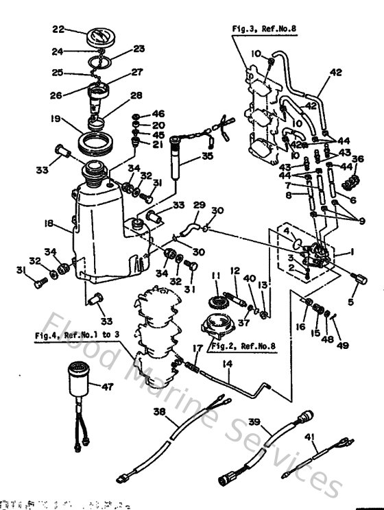
Diagram: Oil Pump
Parts List
Reference
Description
Price
1
6H1132000100
Oil injection pump set
Loading…
↗
2
6E5134710000
Plug, Drain
Loading…
↗
3
6E5134750000
Washer
Loading…
↗
5
9010906M2200
Bolt
Loading…
↗
6
9044507M9000
Hose (l390)
Loading…
↗
7
904450724000
Hose (l390)
Loading…
↗
8
9044507M4400
Hose (l390)
Loading…
↗
9
9046807M0200
Clip (6e5)
Loading…
↗
11
6H1115360000
Gear, drive
Loading…
↗
12
6H1115370000
Gear, driven
Loading…
↗
13
6H1131170000
Collar, distance
Loading…
↗
14
6H1412410000
Rod 1
Loading…
↗
15
6H1412370000
Joint, link
Loading…
↗
16
953800560000
Nut, hexagon (663)
Loading…
↗
17
6E9412370000
Joint, link
Loading…
↗
19
6H1217350000
Seal 2
Loading…
↗
20
6H1217441000
Breather
Loading…
↗
21
6H1217730000
Grommet
Loading…
↗
22
6H1217710100
Body, cap
Loading…
↗
23
6H1217720100
Gasket, cap
Loading…
↗
24
6H1246340000
Hook, chain ball
Loading…
↗
26
6H1217570000
Washer, special 1
Loading…
↗
27
6H1242510100
Strainer 1
Loading…
↗
28
9050114M4500
Spring, Compression
Loading…
↗
29
6H1217660100
Pipe, oil
Loading…
↗
30
904670800400
Clip, pipe 6162435600
Loading…
↗
31
973130602500
Bolt
Loading…
↗
32
902010605000
Washer, plate(6e3)
Loading…
↗
33
624425420000
Collar
Loading…
↗
34
6A0823170000
Damper, ignition coil
Loading…
↗
35
6H1857201100
Oil Lvl Gauge Assembly
Loading…
↗
36
9046407M0500
Clamp (6g5)
Loading…
↗
37
9020108M9300
Washer, plate (6g5)
Loading…
↗
38
6H1819711000
Wire, Lead
Loading…
↗
40
9321013M0400
93210-13m04
Loading…
↗
42
9044607M4800
Hose(62t)
Loading…
↗
43
6E5131320000
Joint
Loading…
↗
45
9038603M5900
Bush, Specl Nylon
Loading…
↗
48
902020508800
Washer, plate (666)
Loading…
↗
49
9046805M0300
Clip(6j8)
Loading…
↗