Yamaha Outboard Parts - Oil Pump - 90AETOL (1998) | Flood Marine
New Search
Parts
New Outboards
Home
90AETOL (1998)
Oil Pump
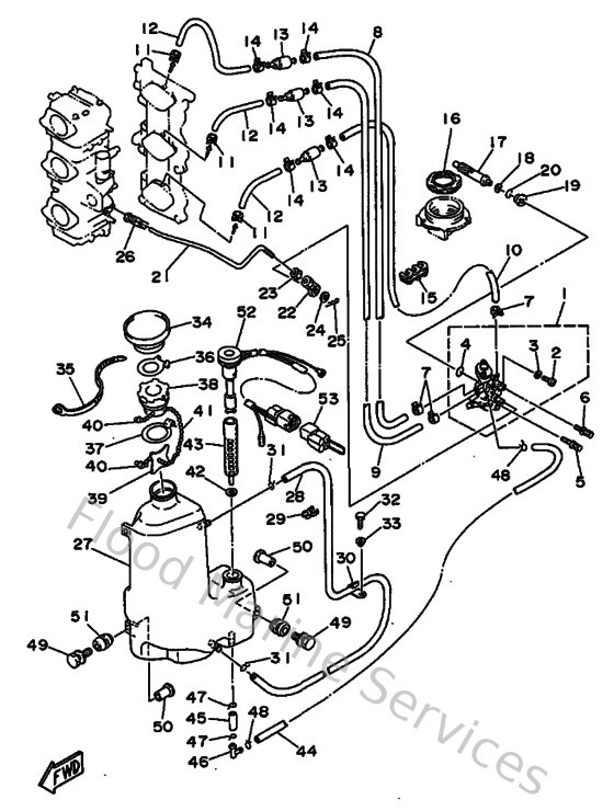
Diagram: Oil Pump
Parts List
Reference
Description
Price
1
6H1132000200
Oil injection pump assembly
Loading…
↗
2
716244440000
Screw
Loading…
↗
3
1YU131870000
Gasket, breather bolt
Loading…
↗
4
9321019MA700
O-ring(6r0)
Loading…
↗
5
9010906M3900
Bolt(6h0)
Loading…
↗
6
9010906M4000
Bolt(6h0)
Loading…
↗
7
9046807M0200
Clip (6e5)
Loading…
↗
8
9044507M9000
Hose (l390)
Loading…
↗
9
904450724000
Hose (l390)
Loading…
↗
10
9044507M4400
Hose (l390)
Loading…
↗
12
9044607M4800
Hose(62t)
Loading…
↗
13
6E9131837000
Valve check
Loading…
↗
15
9046407M0500
Clamp (6g5)
Loading…
↗
16
6H1115360000
Gear, drive
Loading…
↗
17
6H1115370100
Gear, driven
Loading…
↗
18
9020108M9300
Washer, plate (6g5)
Loading…
↗
19
6H1131170100
Collar, distance
Loading…
↗
20
932101359500
93210-13m04
Loading…
↗
21
6H1412410200
Rod, link
Loading…
↗
22
6H1412370000
Joint, link
Loading…
↗
23
953800560000
Nut, hexagon (663)
Loading…
↗
24
902020508800
Washer, plate (666)
Loading…
↗
25
9046805M0300
Clip(6j8)
Loading…
↗
26
6R5412370000
Joint, link
Loading…
↗
27
6H1217070700
Oil tank comp.
Loading…
↗
28
9044511M0900
Hose (l600)
Loading…
↗
29
9046411M2400
Clamp(6h1)
Loading…
↗
30
9046511M2700
Clamp(6h1)
Loading…
↗
31
9046711M0800
Clip(72x)
Loading…
↗
32
970950601600
Bolt, hexagon deep recess
Loading…
↗
33
9038706M3100
Coller (6a0)
Loading…
↗
34
6H1217520000
Tube, filler 1
Loading…
↗
35
9046513M3900
Clamp(6e8)
Loading…
↗
36
63D2176M0000
Hook
Loading…
↗
37
63D2175R0000
Hook, band
Loading…
↗
38
6H4217700000
Oil tank cap assembly
Loading…
↗
39
6J8217580000
Washer, special 2
Loading…
↗
40
6H1217570000
Washer, special 1
Loading…
↗
42
6J8134140000
Gasket, strainer cover
Loading…
↗
43
6H1134110000
Strainer, oil
Loading…
↗
44
6H1217660100
Pipe, oil
Loading…
↗
45
9044508M0100
Hose (l30)
Loading…
↗
46
6H1134350000
Nipple
Loading…
↗
47
9046712M1100
Clip(6k8)
Loading…
↗
48
904670800400
Clip, pipe 6162435600
Loading…
↗
49
9011906M8800
Bolt, with washer
Loading…
↗
50
624425420000
Collar
Loading…
↗
51
6A0823170000
Damper, ignition coil
Loading…
↗
52
6H1857201500
Oil level gauge assembly
Loading…
↗
53
6R582582B000
Cover, wire harness
Loading…
↗