Yamaha Outboard Parts - Oil Pump - F8BMH (1993) | Flood Marine
New Search
Parts
New Outboards
Home
F8BMH (1993)
Oil Pump
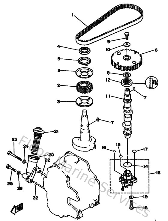
Diagram: Oil Pump
Parts List
Reference
Description
Price
1
6G8462410000
Belt
Loading…
↗
2
6G8115360094
Gear Drive
Loading…
↗
3
6G8115570000
Washer 1
Loading…
↗
17
9321013M6300
O-ring (6g8)
Loading…
↗
18
973950602500
Bolt
Loading…
↗
19
929900660000
Washer, plain (646)
Loading…
↗
20
6G813442001S
Housing, Oil Filter
Loading…
↗
21
6G8134400000
Element assembly, oil cleaner
Loading…
↗
22
9321009M0100
O-ring (664)
Loading…
↗
23
973130605000
Bolt, hexagon
Loading…
↗
25
973130603000
Bolt
Loading…
↗