Yamaha Outboard Parts - Oil Pump - F8BMH (1997) | Flood Marine
New Search
Parts
New Outboards
Home
F8BMH (1997)
Oil Pump
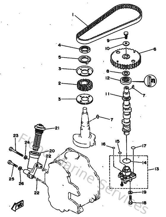
Diagram: Oil Pump
Parts List
Reference
Description
Price
1
6G8462410000
Belt
Loading…
↗
2
6G8115360094
Gear Drive
Loading…
↗
3
6G8115570000
Washer 1
Loading…
↗
4
9017024M0900
Nut (6g8)
Loading…
↗
5
6G8115870000
Washer, lock
Loading…
↗
6
6G8115370094
Gear, Driven
Loading…
↗
7
902800301700
Key woodruff 146115450000
Loading…
↗
8
902011320100
Washer 6474283300
Loading…
↗
9
970950601600
Bolt, hexagon deep recess
Loading…
↗
10
9020106M9400
Washer (6g8)
Loading…
↗
11
6G8121710000
Shaft Cam
Loading…
↗
12
9310218M2100
Oil seal (6g8)
Loading…
↗
13
6G8133000200
Oil pump assembly
Loading…
↗
14
932102780600
O-ring
Loading…
↗
15
9321010M6100
O-ring (6g8)
Loading…
↗
16
9321009M0100
O-ring (664)
Loading…
↗
18
970950602500
Bolt
Loading…
↗
19
929900660000
Washer, plain (646)
Loading…
↗
20
6G8134420094
Housing, Oil Filter
Loading…
↗
21
6G8134400000
Element assembly, oil cleaner
Loading…
↗
23
973130605000
Bolt, hexagon
Loading…
↗
25
970950603000
Bolt(jf7)
Loading…
↗