Yamaha Outboard Parts - Oil Tank - 150AETOL (1987) | Flood Marine
New Search
Parts
New Outboards
Home
150AETOL (1987)
Oil Tank
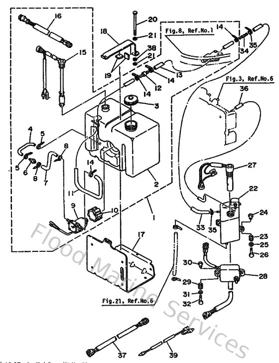
Diagram: Oil Tank
Parts List
Reference
Description
Price
1
6E5217080300
Lock assembly 2
Loading…
↗
2
6E5217330100
Sub tank, oil (10.5l)
Loading…
↗
4
6E5243220000
Pipe 11
Loading…
↗
5
9046513M1100
Clamp (6e5)
Loading…
↗
6
646242510200
Strainer 1
Loading…
↗
7
6E5243190100
Pipe, oil
Loading…
↗
9
6E5819000100
Oil feed pump assembly
Loading…
↗
10
6E5819220000
Grommet
Loading…
↗
11
6E5243210100
Pipe 10
Loading…
↗
12
6E5243790000
Pipe, joint 4
Loading…
↗
13
9044511M8800
Hose (l3000)
Loading…
↗
15
6E5857200200
Oil Level Gauge assembly
Loading…
↗
16
6E5857210100
Wire, Lead
Loading…
↗
17
6E5217340133
Holder, oil sub tank
Loading…
↗
18
6E5217980133
Bracket, damper
Loading…
↗
19
6E5217460000
Damper
Loading…
↗
20
973800610000
Bolt, hexagon
Loading…
↗
21
929900660000
Washer, plain (646)
Loading…
↗
23
6A0823170000
Damper, ignition coil
Loading…
↗
24
624425420000
Collar
Loading…
↗
25
9020106M6200
Washer, plate (6e5)
Loading…
↗
26
973130603000
Bolt
Loading…
↗
27
6E5857301200
Oil Level Gauge assembly
Loading…
↗
28
6E5857400100
Control unit kit
Loading…
↗
33
6E5243230000
Pipe 12
Loading…
↗
34
6E5244610000
Pipe, Joint
Loading…
↗
35
904651009800
Clamp
Loading…
↗
36
9044505M6100
Hose
Loading…
↗
37
6E5825510100
Stop Switch assembly
Loading…
↗
38
953800660000
Nut(661)
Loading…
↗
39
6G5813150000
Lead Wire assembly
Loading…
↗