Yamaha Outboard Parts - Oil Tank - 200AETOL (1985) | Flood Marine
New Search
Parts
New Outboards
Home
200AETOL (1985)
Oil Tank
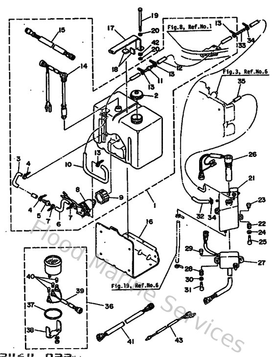
Diagram: Oil Tank
Parts List
Reference
Description
Price
1
6E5217080100
Lock assembly 2
Loading…
↗
2
6E5217700000
Oil Tank Cap assembly
Loading…
↗
3
6E5243220000
Pipe 11
Loading…
↗
4
9046513M1100
Clamp (6e5)
Loading…
↗
5
646242510200
Strainer 1
Loading…
↗
8
6E5819000000
Motor Pump Assembly
Loading…
↗
9
6E5819220000
Grommet
Loading…
↗
10
6E5243210000
Pipe 10
Loading…
↗
11
6E5243790000
Pipe, joint 4
Loading…
↗
12
9044511M8100
Hose (l3000)
Loading…
↗
14
6E5857200100
Oil Level Gauge assembly
Loading…
↗
15
6E5857210100
Wire, Lead
Loading…
↗
16
6E5217340133
Holder, oil sub tank
Loading…
↗
17
6E5217980033
Bracket, damper
Loading…
↗
18
6E5217460000
Damper
Loading…
↗
19
973130610000
Bolt, hexagon
Loading…
↗
20
929900660000
Washer, plain (646)
Loading…
↗
21
6E5217500100
Oil Tank assembly
Loading…
↗
22
6A0823170000
Damper, ignition coil
Loading…
↗
23
624425420000
Collar
Loading…
↗
24
9020106M6200
Washer, plate (6e5)
Loading…
↗
25
970800603000
Bolt(jf7)
Loading…
↗
26
6E5857301100
Oil Level Gauge assembly
Loading…
↗
27
6E5857400100
Control unit kit
Loading…
↗
29
903870611900
Collar
Loading…
↗
31
973130603000
Bolt
Loading…
↗
32
6E5243230000
Pipe 12
Loading…
↗
33
6E5244610000
Pipe, Joint
Loading…
↗
34
80L263970000
Band
Loading…
↗
35
9044505M6100
Hose
Loading…
↗
41
6E5825510100
Stop Switch assembly
Loading…
↗
42
953900660000
Nut(661)
Loading…
↗
43
6G5813150000
Lead Wire assembly
Loading…
↗