Yamaha Outboard Parts - Oil Tank - S250AETOXLX (2000) | Flood Marine
New Search
Parts
New Outboards
Home
S250AETOXLX (2000)
Oil Tank
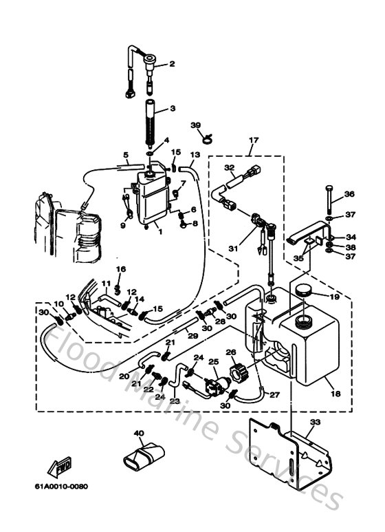
Diagram: Oil Tank
Parts List
Reference
Description
Price
1
61A217500000
Oil tank assembly
Loading…
↗
2
61A857300000
Oil level gauge assembly
Loading…
↗
3
61A134110000
Strainer, oil
Loading…
↗
4
6E5134140000
Gasket, strainer cover
Loading…
↗
5
9044505M0200
Hose (l700)
Loading…
↗
6
6A0823170000
Damper, ignition coil
Loading…
↗
7
903870611900
Collar
Loading…
↗
8
9011906M6500
Bolt, with washer
Loading…
↗
9
6R38259E0000
Switch assembly
Loading…
↗
10
6E5243790000
Pipe, joint 4
Loading…
↗
11
9044511M8000
Hose (l3000)
Loading…
↗
12
9046511M1000
Clamp
Loading…
↗
13
6E5243230000
Pipe 12
Loading…
↗
15
904651009800
Clamp
Loading…
↗
16
9046413M3400
Clamp(6r3)
Loading…
↗
17
61A217080300
Sub oil tank assembly.
Loading…
↗
18
6E5217330200
Sub tank, oil (10.5l)
Loading…
↗
19
6E5217700300
Oil tank cap assembly
Loading…
↗
20
6E5243220000
Pipe 11
Loading…
↗
22
646242510200
Strainer 1
Loading…
↗
23
6E5243190100
Pipe, oil
Loading…
↗
25
6E5819000100
Oil feed pump assembly
Loading…
↗
26
6E5819220000
Grommet
Loading…
↗
27
6E5243210100
Pipe 10
Loading…
↗
29
9044511M2600
Hose (l8000)
Loading…
↗
31
6E5857200400
Oil level gauge assembly
Loading…
↗
32
6R3857218000
Wire, lead
Loading…
↗
33
6E5217340133
Holder, oil sub tank
Loading…
↗
34
6E5217980133
Bracket, damper
Loading…
↗
35
6E5217460000
Damper
Loading…
↗
36
970800610000
Bolt, hexagon
Loading…
↗
37
929900660000
Washer, plain (646)
Loading…
↗
38
953800660000
Nut(661)
Loading…
↗
39
9046513M1100
Clamp (6e5)
Loading…
↗
40
656W28100200
Tool kit
Loading…
↗