Yamaha Outboard Parts - Optional Parts 1 - 200BETOL (1993) | Flood Marine
New Search
Parts
New Outboards
Home
200BETOL (1993)
Optional Parts 1
Diagram: Optional Parts 1
Parts List
Reference
Description
Price
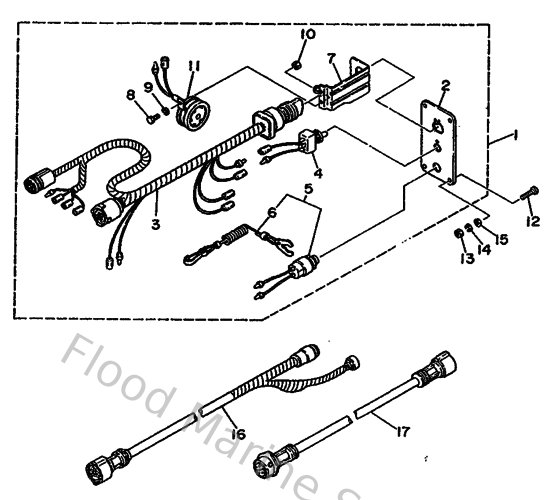
1
704825700200
Panel switch assembly
Loading…
↗
2
689825710200
Panel, Switch
Loading…
↗
3
704825100200
Main switch assembly
Loading…
↗
4
6K1825740000
Switch, choke
Loading…
↗
5
688825750100
Engine stop switch assembly
Loading…
↗
6
682825560000
Lanyard, stop switch
Loading…
↗
7
704825810000
Stay, Cord Clamp
Loading…
↗
8
970950501200
Bolt, hexagon
Loading…
↗
9
929900510000
Ybs67-5 washer, spring
Loading…
↗
10
953030570000
Nut (656)
Loading…
↗
11
688833831100
Buzzer
Loading…
↗
13
953800560000
Nut, hexagon (663)
Loading…
↗
15
929900560000
Washer, plain (646)
Loading…
↗
16
6888258A5000
10p main harness mec 5m (16ft)
Loading…
↗
17
6888258A1000
10p main harness mec 2m (7ft)
Loading…
↗