Yamaha Outboard Parts - Optional Parts 1 - 50DEMTO (1985) | Flood Marine
New Search
Parts
New Outboards
Home
50DEMTO (1985)
Optional Parts 1
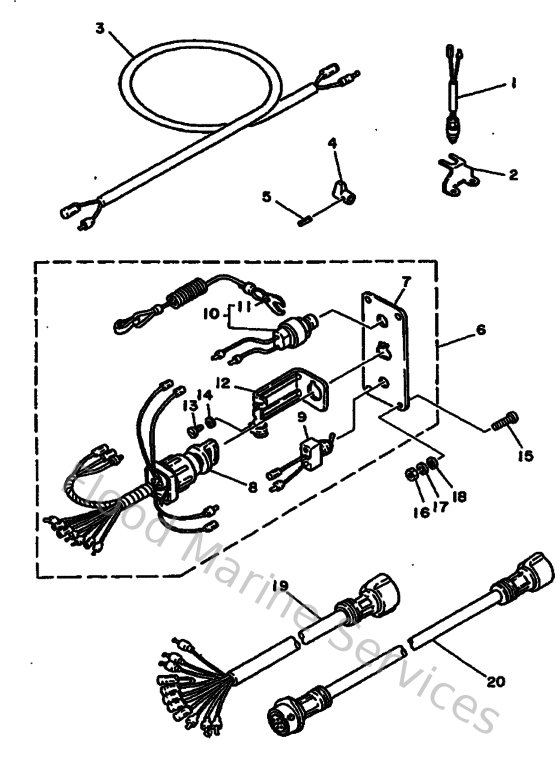
Diagram: Optional Parts 1
Parts List
Reference
Description
Price
1
6F5825400000
Neutral switch assembly
Loading…
↗
2
6H4825540000
Stay, Neutral Switch
Loading…
↗
3
6H4825530000
Extension, wire lead
Loading…
↗
4
6H4441730100
Lever Shift Control
Loading…
↗
5
916903002000
Pin, spring (6h4)
Loading…
↗
6
689825701300
Panel Switch assembly
Loading…
↗
7
689825710200
Panel, Switch
Loading…
↗
8
688825101100
Main switch assembly
Loading…
↗
9
688825740000
Switch, choke
Loading…
↗
10
688825750100
Engine stop switch assembly
Loading…
↗
11
682825560000
Lanyard, stop switch
Loading…
↗
12
663825810100
Stay, cord clamp
Loading…
↗
13
983030400800
Screw, pan head (713)
Loading…
↗
14
929010410000
Ybs67-4 washer, spring
Loading…
↗
15
989030502500
Screw, bind
Loading…
↗
16
953030560000
Nut, hexagon (663)
Loading…
↗
17
929900510000
Ybs67-5 washer, spring
Loading…
↗
18
929030560000
Washer, plain (646)
Loading…
↗
19
688825862100
Extension, wire harness
Loading…
↗
20
688825861100
Extension, wire harness
Loading…
↗