Yamaha Outboard Parts - Optional Parts 1 - F6AMH (2000) | Flood Marine
New Search
Parts
New Outboards
Home
F6AMH (2000)
Optional Parts 1
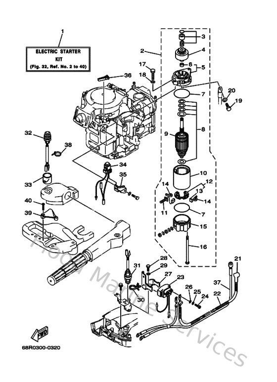
Diagram: Optional Parts 1
Parts List
Reference
Description
Price
1
68RW81800000
Electric starter kit
Loading…
↗
2
68T818000000
Starting motor assembly
Loading…
↗
3
68T818570000
Pinion stopper set
Loading…
↗
4
689818071200
Pinion assembly
Loading…
↗
5
6F5818301100
Front cover assembly
Loading…
↗
6
689818310000
Metal, front
Loading…
↗
7
689818471100
O-ring
Loading…
↗
8
689818091100
Washer kit
Loading…
↗
9
689818501200
Armature assembly
Loading…
↗
10
689818101100
Stator ass'y
Loading…
↗
11
689818111100
Brush 1
Loading…
↗
12
689818401100
Brush holder assembly
Loading…
↗
13
689818121100
Brush 2
Loading…
↗
14
689818131000
Spring, brush
Loading…
↗
15
689818201100
Rear cover ass'y
Loading…
↗
16
689818261000
Bolt
Loading…
↗
17
970130802500
Bolt (682)
Loading…
↗
18
929030860000
Washer, plain (663)
Loading…
↗
19
970950801600
Bolt, hexagon deep recess
Loading…
↗
20
929900860000
Washer, plain (663)
Loading…
↗
21
6G8821170000
Wire, lead
Loading…
↗
22
9044610M8600
Hose
Loading…
↗
23
68T819400000
Starter relay assembly
Loading…
↗
24
970850601000
Bolt
Loading…
↗
25
929950610000
Washer(6a1)
Loading…
↗
26
929950660000
Washer, plain (646)
Loading…
↗
27
68T819450000
Plate, switch fitting
Loading…
↗
28
970800601200
Bolt(gh1)
Loading…
↗
30
9046512M5600
Clamp(62t)
Loading…
↗
31
6F5825400000
Neutral switch assembly
Loading…
↗
32
68T818700000
Starting switch assembly
Loading…
↗
33
68T818210000
Cover, switch
Loading…
↗
34
68T821500000
Fuse holder assembly
Loading…
↗
35
68T821710000
Stay, fuse box
Loading…
↗
36
67F2812A0000
Puller, fuse
Loading…
↗
37
69G821050100
Battery cable (l: 3.0m)
Loading…
↗
38
9046511M1000
Clamp
Loading…
↗
39
68T825940000
Clamp
Loading…
↗
40
901510500300
Screw, countersunk
Loading…
↗