Yamaha Outboard Parts - Optional Parts 2 - 225AETOL (1988) | Flood Marine
New Search
Parts
New Outboards
Home
225AETOL (1988)
Optional Parts 2
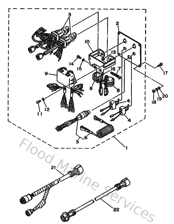
Diagram: Optional Parts 2
Parts List
Reference
Description
Price
1
6K1825700100
Panel switch assembly
Loading…
↗
2
6K1825710000
Plate, panel switch
Loading…
↗
3
6K1825100100
Main switch assembly
Loading…
↗
4
6K1825740000
Switch, choke
Loading…
↗
5
6K1825750000
Engine stop switch assembly
Loading…
↗
6
682825560000
Lanyard, stop switch
Loading…
↗
7
704825810000
Stay, Cord Clamp
Loading…
↗
8
688833831100
Buzzer
Loading…
↗
9
6K1858300100
Control unit assembly
Loading…
↗
11
985800602000
Screw pan head
Loading…
↗
12
929900610000
Washer(6a1)
Loading…
↗
13
953800660000
Nut(661)
Loading…
↗
14
985800501000
Screw, pan head(62x)
Loading…
↗
15
929900510000
Ybs67-5 washer, spring
Loading…
↗
16
953800560000
Nut, hexagon (663)
Loading…
↗
17
9014905M0500
Screw(6k0)
Loading…
↗
20
929900560000
Washer, plain (646)
Loading…
↗
21
6K18258A4000
Extension, wire harness
Loading…
↗
22
6888258A1000
10p main harness mec 2m (7ft)
Loading…
↗