Yamaha Outboard Parts - Optional Parts 2 - 225BETOL (1992) | Flood Marine
New Search
Parts
New Outboards
Home
225BETOL (1992)
Optional Parts 2
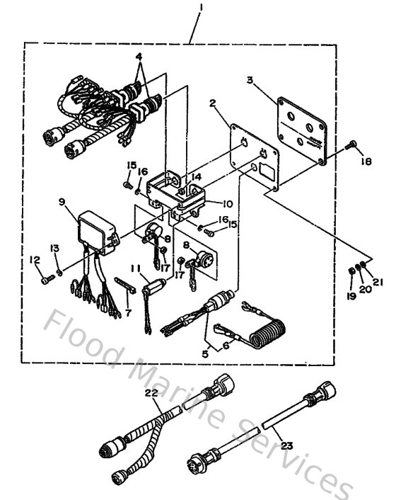
Diagram: Optional Parts 2
Parts List
Reference
Description
Price
1
61B825700000
Panel switch assembly
Loading…
↗
2
61B825880000
Plate
Loading…
↗
3
61B825710000
Panel, Switch
Loading…
↗
4
61B825100200
Main switch assembly
Loading…
↗
5
6K1825750000
Engine stop switch assembly
Loading…
↗
6
682825560000
Lanyard, stop switch
Loading…
↗
7
704825810000
Stay, Cord Clamp
Loading…
↗
8
6R5833830000
Buzzer
Loading…
↗
12
985800602000
Screw pan head
Loading…
↗
13
929950610000
Washer(6a1)
Loading…
↗
14
953800660000
Nut(661)
Loading…
↗
15
985800501000
Screw, pan head(62x)
Loading…
↗
16
929900510000
Ybs67-5 washer, spring
Loading…
↗
17
953800560000
Nut, hexagon (663)
Loading…
↗
18
9014905M0500
Screw(6k0)
Loading…
↗
21
929900560000
Washer, plain (646)
Loading…
↗
22
61B8258A0000
Extension, wire harness
Loading…
↗
23
6888258A1000
10p main harness mec 2m (7ft)
Loading…
↗