Yamaha Outboard Parts - Optional Parts 2 - 25NEMO (1992) | Flood Marine
New Search
Parts
New Outboards
Home
25NEMO (1992)
Optional Parts 2
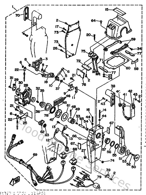
Diagram: Optional Parts 2
Parts List
Reference
Description
Price
1
689825701500
Panel switch assembly
Loading…
↗
3
703825740000
Switch, choke
Loading…
↗
5
682825560000
Lanyard, stop switch
Loading…
↗
6
689825710200
Panel, Switch
Loading…
↗
7
663825810100
Stay, cord clamp
Loading…
↗
8
983030400800
Screw, pan head (713)
Loading…
↗
9
929010410000
Ybs67-4 washer, spring
Loading…
↗
10
9014905M0500
Screw(6k0)
Loading…
↗
11
953800560000
Nut, hexagon (663)
Loading…
↗
12
929900510000
Ybs67-5 washer, spring
Loading…
↗
13
929900560000
Washer, plain (646)
Loading…
↗
14
688825865000
Extension, wire harness
Loading…
↗
15
688825861100
Extension, wire harness
Loading…
↗
17
6L2825540100
Stay, neutral switch
Loading…
↗
18
970130601200
Bolt(gh1)
Loading…
↗
19
929900610000
Washer(6a1)
Loading…
↗