Yamaha Outboard Parts - Optional Parts 5 - 85AET (1990) | Flood Marine
New Search
Parts
New Outboards
Home
85AET (1990)
Optional Parts 5
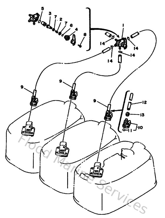
Diagram: Optional Parts 5
Parts List
Reference
Description
Price
2
9050112M1300
Spring, compression (688)
Loading…
↗
3
688245540000
Shaft, cock
Loading…
↗
4
688245590000
Cap
Loading…
↗
5
9321020M2800
O-ring (688)
Loading…
↗
6
9321008M2700
O-ring
Loading…
↗
7
9020108M3200
Washer (688)
Loading…
↗
8
987800401600
Screw, flat head(ga5)
Loading…
↗
9
688243070100
Fuel Pipe Comp. 2
Loading…
↗
10
6G1243050000
Fuel pipe joint comp. 2
Loading…
↗
12
9044512M0500
Hose (l3000)
Loading…
↗
13
650243510100
Band 1
Loading…
↗
14
9046711M0000
Clip, Scissor
Loading…
↗