Yamaha Outboard Parts - Optional Parts 6 - 200AETOL (1987) | Flood Marine
New Search
Parts
New Outboards
Home
200AETOL (1987)
Optional Parts 6
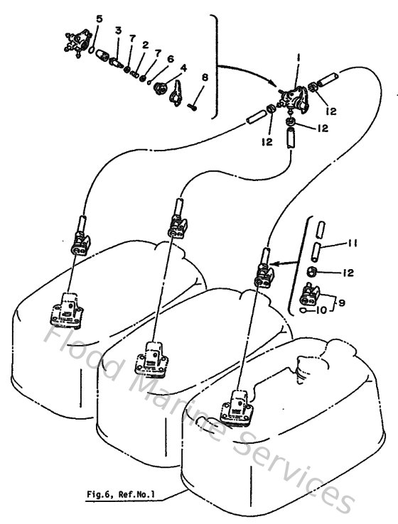
Diagram: Optional Parts 6
Parts List
Reference
Description
Price
2
9050112M1300
Spring, compression (688)
Loading…
↗
3
688245540000
Shaft, cock
Loading…
↗
4
688245590000
Cap
Loading…
↗
5
9321020M2800
O-ring (688)
Loading…
↗
6
9321008M2700
O-ring
Loading…
↗
7
9020108M3200
Washer (688)
Loading…
↗
8
987800401600
Screw, flat head(ga5)
Loading…
↗
9
6Y2243050100
Fuel pipe joint comp. 2
Loading…
↗
10
932100828700
O-ring (655)
Loading…
↗
11
9044513M3200
Hose (l2500)
Loading…
↗
12
6E5243510000
Band 1
Loading…
↗