Yamaha Outboard Parts - Optionnelles 1 - L130BETOL (1995) | Flood Marine
New Search
Parts
New Outboards
Home
L130BETOL (1995)
Optionnelles 1
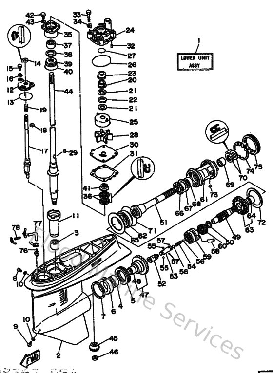
Diagram: Optionnelles 1
Parts List
Reference
Description
Price
1
6L645300224D
Lower Unit assembly
Loading…
↗
2
6E545301024D
Casing, lower
Loading…
↗
4
93315345W000
Bearing, cylindrical(6l6)
Loading…
↗
5
93341360U800
Bearing, thrust (6l6)
Loading…
↗
6
6L6455380000
Spacer, 1
Loading…
↗
7
6E5455675000
Shim (t:0.40mm)
Loading…
↗
8
903400800200
Plug, straight screw
Loading…
↗
9
688453410000
Plug, drain
Loading…
↗
10
904300802000
Gasket
Loading…
↗
11
6E5455360000
Sleeve, drive shaft
Loading…
↗
12
6E5453210000
Plate
Loading…
↗
13
932105867700
O-ring(47x)
Loading…
↗
14
931060901400
Oil seal
Loading…
↗
15
970950602000
Bolt(7u8)
Loading…
↗
16
9020906M0400
Washer
Loading…
↗
17
6L6441500000
Shift cam assembly
Loading…
↗
18
990010860000
Circlip(2r6)
Loading…
↗
19
9050111M1000
Spring, compression (663)
Loading…
↗
20
61A455380000
Spacer, 1
Loading…
↗
21
9020122M0100
Washer, plate(61a)
Loading…
↗
22
9020622M1900
Washer, wave(61a)
Loading…
↗
23
61A455270000
Collar, drive shaft
Loading…
↗
24
61A443110000
Housing, water pump
Loading…
↗
25
61A443220000
Insert, cartridge
Loading…
↗
26
9321086M3800
O-ring (6e5)
Loading…
↗
27
9321037M6700
O-ring (6g8)
Loading…
↗
28
6E5443520000
Impeller
Loading…
↗
29
9028004M0500
Key, woodruff (6e5)
Loading…
↗
30
6E5443230000
Outer plate, cartridge
Loading…
↗
31
6E544315A000
Gasket,water pump
Loading…
↗
32
936061201900
Pin, dowel (614)
Loading…
↗
33
973950804500
Bolt, hexagon
Loading…
↗
34
9020908M0200
Washer, plate (688)
Loading…
↗
35
6E545331009S
Housing, bearing
Loading…
↗
36
9310128M1600
Oil seal (6e5)
Loading…
↗
37
93315430V500
Bearing, cylindrical(6k0)
Loading…
↗
38
6E5455870130
Shim (t:0.30mm)
Loading…
↗
39
93341930V200
Bearing, thrust(64d)
Loading…
↗
40
932105453400
O-ring (70e)
Loading…
↗
41
6E5453440000
Cover, oil seal
Loading…
↗
42
970950802500
Bolt (62g)
Loading…
↗
43
929900860000
Washer, plain (663)
Loading…
↗
44
6E5455012100
Drive shaft comp.
Loading…
↗
45
6E5455510200
Pinion
Loading…
↗
46
9017016M0100
Nut, hexagon (688)
Loading…
↗
47
6L6455600000
Gear
Loading…
↗
48
93315425U700
Brg,cyl-cal roller (6e5)
Loading…
↗
49
6K1456110000
Shaft, Propeller
Loading…
↗
50
9020126M0000
Washer, plate(6k0)
Loading…
↗
51
6L6456112000
Shaft, Propeller
Loading…
↗
52
6K1456410000
Shifter
Loading…
↗
53
6E5456340100
Slide, shift
Loading…
↗
54
9050116M3700
Spring (6g5)
Loading…
↗
55
935073203100
Ball (12r)
Loading…
↗
56
935113202700
Ball (498)
Loading…
↗
57
935031601000
Ball
Loading…
↗
58
9025008M0700
Pin, straight (6g5)
Loading…
↗
59
6E5456310100
Clutch, dog
Loading…
↗
60
6E5456330100
Ring, cross pin
Loading…
↗
61
6L6453320094
Housing, bearing
Loading…
↗
62
93332000V700
Bearing(6l6)
Loading…
↗
63
6L6455700000
Gear 2 (26T)
Loading…
↗
65
6L6455760000
Washer, thrust
Loading…
↗
66
93341440U500
Bearing, thrust (6k0)
Loading…
↗
67
6K1455786000
Shim (t:0.50mm)
Loading…
↗
68
93315440V600
Bearing, cylindrical(6k0)
Loading…
↗
69
933154306100
Bearing
Loading…
↗
70
9310130M1700
Oil seal (6e5)
Loading…
↗
71
9321086M3900
O-ring (6e5)
Loading…
↗
72
6L6455770030
Shim (t:0.30mm)
Loading…
↗
73
902820401000
Key, strait(663)
Loading…
↗
74
688453830200
Washer, claw
Loading…
↗
75
688453840000
Nut
Loading…
↗
76
6E5453780000
Nipple, hose
Loading…
↗
77
9044507ME900
Hose (l250)
Loading…
↗
78
6E5835581000
End, nipple
Loading…
↗