Yamaha Outboard Parts - Optionnelles 1 - L225CETO (1995) | Flood Marine
New Search
Parts
New Outboards
Home
L225CETO (1995)
Optionnelles 1
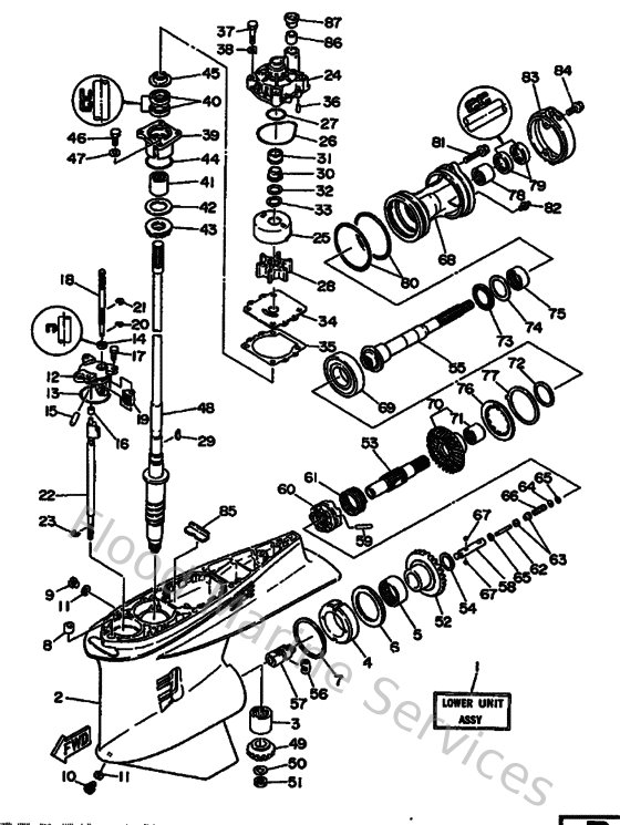
Diagram: Optionnelles 1
Parts List
Reference
Description
Price
2
61A45301028D
Casing, Lower
Loading…
↗
3
93311832V200
Ball bearing
Loading…
↗
5
93315660W300
Bearing, cylindrical(61b)
Loading…
↗
6
93341670V000
Bearing, thrust (61b)
Loading…
↗
7
61A455670030
Shim (t:0.30mm)
Loading…
↗
8
663443660000
Damper, water seal 2
Loading…
↗
9
9034008M0400
Plug, straight screw
Loading…
↗
10
688453410000
Plug, drain
Loading…
↗
11
904300802000
Gasket
Loading…
↗
12
61A45321005B
Plate
Loading…
↗
13
932106575200
O-ring(2hj)
Loading…
↗
14
931060901400
Oil seal
Loading…
↗
15
61A441600000
Detent Comp
Loading…
↗
16
9038406M0700
Bush, bimetal formed(6r3)
Loading…
↗
17
975950652000
Bolt(7u8)
Loading…
↗
18
61A441440000
Rod, Shift
Loading…
↗
19
61A441730000
Lever, Shift Control
Loading…
↗
20
990800560000
Circlip(22k)
Loading…
↗
21
9345007M0000
Circlip (6e5)
Loading…
↗
24
61A443110000
Housing, water pump
Loading…
↗
25
61A443220000
Insert, cartridge
Loading…
↗
26
9321086M3800
O-ring (6e5)
Loading…
↗
27
9321037M6700
O-ring (6g8)
Loading…
↗
28
6E5443520000
Impeller
Loading…
↗
29
9028004M0500
Key, woodruff (6e5)
Loading…
↗
30
61A455380000
Spacer, 1
Loading…
↗
31
61A455270000
Collar, drive shaft
Loading…
↗
32
9020122M0100
Washer, plate(61a)
Loading…
↗
33
9020622M1900
Washer, wave(61a)
Loading…
↗
34
6G5443230000
Outer plate, cartridge
Loading…
↗
35
6E544315A000
Gasket,water pump
Loading…
↗
36
936061201900
Pin, dowel (614)
Loading…
↗
37
973950804500
Bolt, hexagon
Loading…
↗
38
9020908M0200
Washer, plate (688)
Loading…
↗
39
61A453310094
Housing, bearing
Loading…
↗
41
93315430V500
Bearing, cylindrical(6k0)
Loading…
↗
42
61A455870030
Shim (t:0.30mm)
Loading…
↗
43
933419302000
Bearing
Loading…
↗
44
932105453400
O-ring (70e)
Loading…
↗
45
6E5453440000
Cover, oil seal
Loading…
↗
46
970950802500
Bolt (62g)
Loading…
↗
47
929950860000
Washer, plain (663)
Loading…
↗
48
61A455012000
Drive shaft comp.
Loading…
↗
49
61A455510300
Pinion
Loading…
↗
50
9020116M0000
Washer, plate(6t5)
Loading…
↗
51
9017016M1900
Nut(6t5)
Loading…
↗
53
61B456110000
Shaft, Propeller
Loading…
↗
54
9020129M0100
Washer, plate(61b)
Loading…
↗
55
61B456112000
Shaft, propeller
Loading…
↗
59
61A456320000
Pin, cross
Loading…
↗
60
61A456310100
Clutch, dog
Loading…
↗
61
61A456330000
Ring, cross pin
Loading…
↗
62
6H1456680000
Shaft, free 1
Loading…
↗
63
61A456350000
Plunger, shift
Loading…
↗
64
9020102M0000
Washer, plate(61a)
Loading…
↗
65
9018302M0300
Nut, spring (6h1)
Loading…
↗
66
9050110M7700
Spring, compression(61a)
Loading…
↗
67
935010401100
Ball
Loading…
↗
69
93332000W200
Bearing(61b)
Loading…
↗
70
61B455700100
Gear
Loading…
↗
71
933154306100
Bearing
Loading…
↗
72
61A455776000
Shim (t:0.50mm)
Loading…
↗
73
93341440U500
Bearing, thrust (6k0)
Loading…
↗
74
6K1455786000
Shim (t:0.50mm)
Loading…
↗
75
93315440V600
Bearing, cylindrical(6k0)
Loading…
↗
76
61B453840000
Nut
Loading…
↗
77
61B453830000
Washer, claw
Loading…
↗
78
93317330U500
Bearing
Loading…
↗
79
9310130M1700
Oil seal (6e5)
Loading…
↗
80
932110438400
O-ring (705)
Loading…
↗
81
9010508M4800
Bolt, Flange
Loading…
↗
82
9370009M0000
Nipple, grease(6t4)
Loading…
↗
83
61A45361005B
Cap, lower casing
Loading…
↗
84
970800802000
Bolt(6td)
Loading…
↗
85
61A453760094
Guide, seal damper
Loading…
↗
86
6E5443650000
Damper, water seal 1
Loading…
↗
87
6E5443120000
Cover, water pump housing
Loading…
↗