Yamaha Outboard Parts - Optionnelles 2 - 130BETOL (1997) | Flood Marine
New Search
Parts
New Outboards
Home
130BETOL (1997)
Optionnelles 2
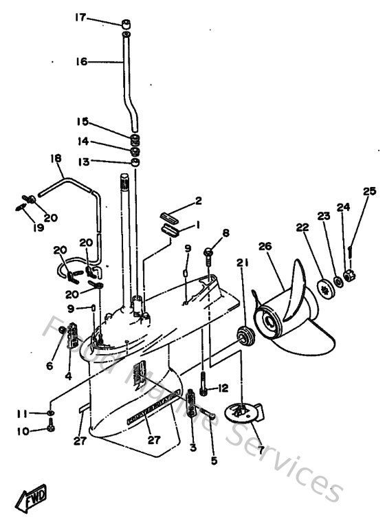
Diagram: Optionnelles 2
Parts List
Reference
Description
Price
1
663453760094
Guide, seal damper
Loading…
↗
2
688453750000
Damper, seal 2
Loading…
↗
3
688452140200
Cover, water inlet
Loading…
↗
4
688452150200
Cover, water inlet
Loading…
↗
5
9015205M0700
Screw, countersunk
Loading…
↗
6
901850590400
Nut nylon (sus)(ex4)
Loading…
↗
7
6L6453710000
Tab-trim
Loading…
↗
8
9010510M0000
Bolt, hexagon (663)
Loading…
↗
9
9360812M0500
Pin, dowel b (6e5)
Loading…
↗
10
970951004500
Bolt(64d)
Loading…
↗
11
929901010000
Ybs67-10 washer, spring
Loading…
↗
12
9011910M8900
Bolt, with washer
Loading…
↗
13
6E5443650000
Damper, water seal 1
Loading…
↗
14
6E5443120000
Cover, water pump housing
Loading…
↗
15
6E5443660000
Damper, water seal 2
Loading…
↗
16
6E5443612000
Tube, water
Loading…
↗
18
9044507MF000
Hose (l1160)
Loading…
↗
19
6E5835580000
End, nipple
Loading…
↗
20
9046511M1000
Clamp
Loading…
↗
21
6E5459870100
Spacer 1
Loading…
↗
22
688459970100
Spacer 2
Loading…
↗
23
929901820000
Washer (6e5)
Loading…
↗
24
9017118M0400
Nut, castle (6e5)
Loading…
↗
25
914904003000
Pin, cotter (663)
Loading…
↗
26
6L6459300098
Propeller (3x13"x17"-kl)
Loading…
↗