Yamaha Outboard Parts - Partie Electrique 1 - 60FETO (1999) | Flood Marine
New Search
Parts
New Outboards
Home
60FETO (1999)
Partie Electrique 1
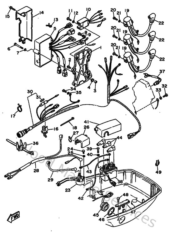
Diagram: Partie Electrique 1
Parts List
Reference
Description
Price
1
6H3855421194
Bracket
Loading…
↗
2
9010506M1400
Bolt (6e0)
Loading…
↗
3
9038706M4300
Coller (6e9)
Loading…
↗
4
9048013M5400
Grommet(6h2)
Loading…
↗
5
6H2855401000
C.d.i. unit assembly
Loading…
↗
6
970800604500
Bolt, hexagon
Loading…
↗
7
929900660000
Washer, plain (646)
Loading…
↗
8
970130601200
Bolt(gh1)
Loading…
↗
10
6H2819600000
Rectifier & regulator assembly
Loading…
↗
11
970950601600
Bolt, hexagon deep recess
Loading…
↗
13
9046405M1600
Clamp(6j8)
Loading…
↗
14
6H3819161000
Cover, terminal
Loading…
↗
15
9015906M0100
Screw, with washer (6f5)
Loading…
↗
16
6G5821520000
Holder, fuse
Loading…
↗
17
9046423M2200
Clamp
Loading…
↗
18
9046513M1100
Clamp (6e5)
Loading…
↗
19
697855700000
Ignition coil assembly
Loading…
↗
20
970800602000
Bolt(7u8)
Loading…
↗
22
6G1823702000
Plug cap assembly
Loading…
↗
23
688819501000
Relay assembly
Loading…
↗
26
6H3821640000
Case 2
Loading…
↗
27
904641603900
Clamp (3y2)
Loading…
↗
28
6H3821050100
Battery cable
Loading…
↗
29
6H3821170000
Wire, lead
Loading…
↗
30
6H2825903100
Wire harness assembly
Loading…
↗
31
682821510000
Fuse
Loading…
↗
32
970800601200
Bolt(gh1)
Loading…
↗
36
688825940000
Clamp
Loading…
↗
37
688825601000
Thermo switch assembly
Loading…
↗
38
61A819500100
Relay assembly
Loading…
↗
39
970950602500
Bolt
Loading…
↗
41
6H3821541100
Case
Loading…
↗
42
6H2819491100
Wire, lead
Loading…
↗
43
6H2819490100
Wire, lead
Loading…
↗
44
6G5821191000
Cover, lead wire
Loading…
↗
45
6H1825631000
Trim & tilt switch assembly
Loading…
↗
46
6E5825870000
Gasket
Loading…
↗
47
6E5836140100
Bracket
Loading…
↗
49
9046418M1400
Clamp(6h1)
Loading…
↗