Yamaha Outboard Parts - Partie Electrique 2 - F50AE (1998) | Flood Marine
New Search
Parts
New Outboards
Home
F50AE (1998)
Partie Electrique 2
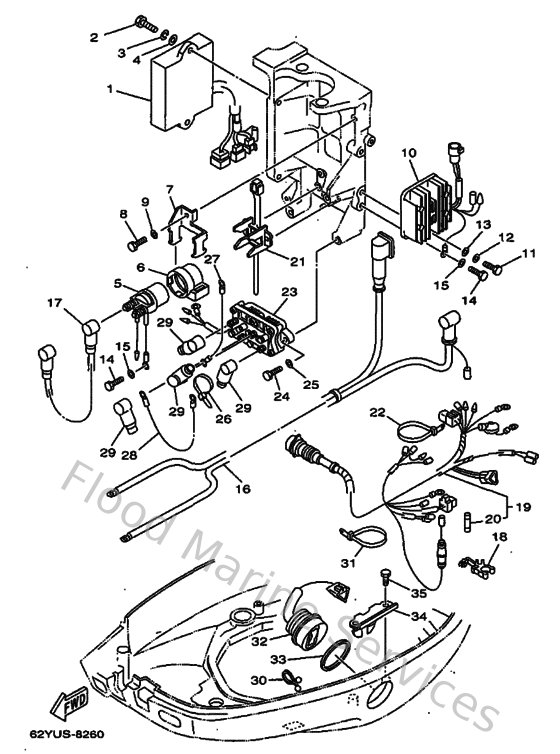
Diagram: Partie Electrique 2
Parts List
Reference
Description
Price
1
62Y855400200
C.d.i. Unit assembly
Loading…
↗
2
970950602000
Bolt(7u8)
Loading…
↗
3
929950610000
Washer(6a1)
Loading…
↗
4
929900660000
Washer, plain (646)
Loading…
↗
5
6G1819411000
Starter relay
Loading…
↗
6
6G1819520000
Holder, relay
Loading…
↗
7
6L2819450000
Plate, switch fitting
Loading…
↗
8
970950601400
Bolt(gj3)
Loading…
↗
11
9010106M2700
Bolt
Loading…
↗
14
970950601200
Bolt(gh1)
Loading…
↗
16
66T82105J100
Battery cable
Loading…
↗
17
6E5821170000
Wire, lead
Loading…
↗
18
6G5821520000
Holder, fuse
Loading…
↗
19
62Y825900000
Wire Harness assembly
Loading…
↗
20
682821510100
Fuse
Loading…
↗
21
688825940000
Clamp
Loading…
↗
22
9046513M2400
Band, switch cord
Loading…
↗
23
6H1819500000
Relay aasy
Loading…
↗
26
9046513M1100
Clamp (6e5)
Loading…
↗
27
6H2819490100
Wire, lead
Loading…
↗
28
6H2819491100
Wire, lead
Loading…
↗
29
682821190100
Cover, lead wire
Loading…
↗
30
9046415M1100
Clamp (3y2)
Loading…
↗
32
63D825631100
Trim & tilt switch assembly
Loading…
↗
33
6E5825870000
Gasket
Loading…
↗
34
62Y836140000
Bracket
Loading…
↗