Yamaha Outboard Parts - Partie Electrique 3 - 250AETOXLX (1997) | Flood Marine
New Search
Parts
New Outboards
Home
250AETOXLX (1997)
Partie Electrique 3
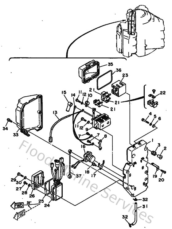
Diagram: Partie Electrique 3
Parts List
Reference
Description
Price
1
61A819480000
Bracket
Loading…
↗
2
624425420000
Collar
Loading…
↗
3
6A0823170000
Damper, ignition coil
Loading…
↗
4
970800603000
Bolt(jf7)
Loading…
↗
5
929900660000
Washer, plain (646)
Loading…
↗
6
9020106M6200
Washer, plate (6e5)
Loading…
↗
7
970950601400
Bolt(gj3)
Loading…
↗
8
61A871490000
Connector
Loading…
↗
9
61A819500100
Relay assembly
Loading…
↗
10
904650802800
Clamp (1e6)
Loading…
↗
11
970950603000
Bolt(jf7)
Loading…
↗
13
61A819491000
Wire, lead
Loading…
↗
14
6H2819491100
Wire, lead
Loading…
↗
15
6G5821190000
Cover, lead wire
Loading…
↗
16
61A819410000
Starter relay assembly
Loading…
↗
17
61A819520000
Holder, relay
Loading…
↗
18
977805061200
Screw, tapping(61a)
Loading…
↗
19
61A821710000
Stay, fuse box
Loading…
↗
21
61A821500000
Fuse holder assembly
Loading…
↗
22
61A821510000
Fuse(12v-80a)
Loading…
↗
23
61A821530000
Stay, fuse holder
Loading…
↗
24
61A819600400
Rectifier & regulator assembly
Loading…
↗
25
61A81975A000
Plate, rectifier fitting
Loading…
↗
26
61A81972009M
Cover, rectifier
Loading…
↗
27
9010106M2700
Bolt
Loading…
↗
31
6H4243110000
Pipe 1
Loading…
↗
32
904670800400
Clip, pipe 6162435600
Loading…
↗
33
61A819420000
Cover
Loading…
↗
34
9016905M0000
Screw truss head tapping
Loading…
↗
35
61A821540100
Case
Loading…
↗
36
61A821760000
Damper
Loading…
↗
37
61A821170000
Wire, lead
Loading…
↗