Yamaha Outboard Parts - Partie Electrique 3 - F8BMH (1996) | Flood Marine
New Search
Parts
New Outboards
Home
F8BMH (1996)
Partie Electrique 3
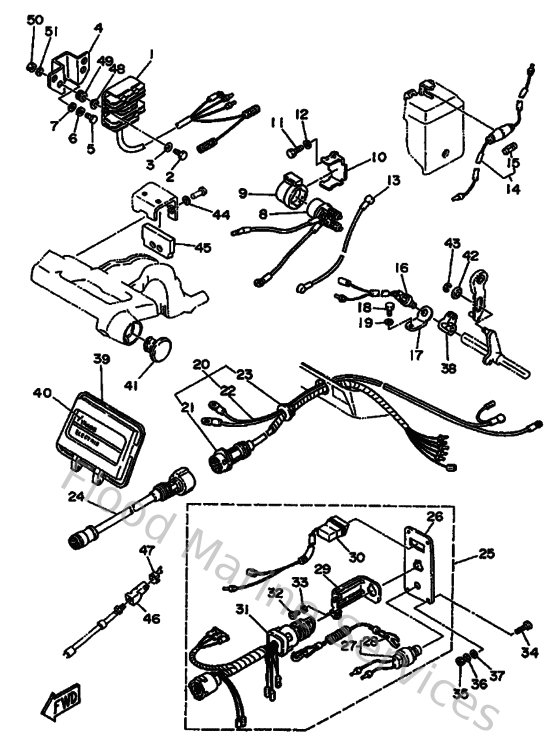
Diagram: Partie Electrique 3
Parts List
Reference
Description
Price
1
6G881960A100
Rectifier & regulator assembly
Loading…
↗
2
970950602500
Bolt
Loading…
↗
3
929900660000
Washer, plain (646)
Loading…
↗
4
6G8819480200
Bracket
Loading…
↗
5
970950601600
Bolt, hexagon deep recess
Loading…
↗
6
929950610000
Washer(6a1)
Loading…
↗
8
6J0819411000
Relay, starter
Loading…
↗
9
6G1819520000
Holder, relay
Loading…
↗
10
6G8819530000
Stay, relay
Loading…
↗
11
970950601200
Bolt(gh1)
Loading…
↗
13
6H4821170000
Wire, lead
Loading…
↗
14
6G8821500000
Fuse holder assembly
Loading…
↗
15
682821510000
Fuse
Loading…
↗
16
6H3825400000
Neutral switch assembly
Loading…
↗
17
6G8825540000
Stay Neutral Switch
Loading…
↗
20
6G8825800000
Wire harness assembly
Loading…
↗
21
6G8825900000
Wire Harness assembly
Loading…
↗
22
6G8821050100
Battery Cable
Loading…
↗
23
6G8427245000
Grommet
Loading…
↗
24
688825865000
Extension, wire harness
Loading…
↗
25
6G8825700400
Switch :ob
Loading…
↗
26
6G8825710100
Panel, Switch
Loading…
↗
27
688825750100
Engine stop switch assembly
Loading…
↗
28
682825560000
Lanyard, stop switch
Loading…
↗
29
663825810100
Stay, cord clamp
Loading…
↗
30
6G8835820100
Pilot Light assembly
Loading…
↗
31
6G8825100200
Main Switch assembly
Loading…
↗
32
989800400800
Screw, bind (705)
Loading…
↗
33
929900410000
Ybs67-4 washer, spring
Loading…
↗
34
9014905M0500
Screw(6k0)
Loading…
↗
35
953800560000
Nut, hexagon (663)
Loading…
↗
36
929900510000
Ybs67-5 washer, spring
Loading…
↗
37
929900560000
Washer, plain (646)
Loading…
↗
38
6G8441250000
Lever, Shift Rod
Loading…
↗
39
6G8426141200
Panel, Front Upper
Loading…
↗
40
6G8426772000
Graphic, Front
Loading…
↗
41
6G8425510000
Grommet
Loading…
↗
42
9038706M7300
Collar
Loading…
↗
43
9343004M0300
Circlip (eu0)
Loading…
↗
45
6G8483515100
Seal, rubber
Loading…
↗
46
6G8263630000
End, wire 1
Loading…
↗
47
6G8263640000
End, wire 2
Loading…
↗
48
9038706M7000
Collar (6h5)
Loading…
↗
49
9048013M2400
Grommet (6e9)
Loading…
↗
50
953800670000
Nut
Loading…
↗