Yamaha Outboard Parts - Partie Electrique 4 - 225CETOL (1994) | Flood Marine
New Search
Parts
New Outboards
Home
225CETOL (1994)
Partie Electrique 4
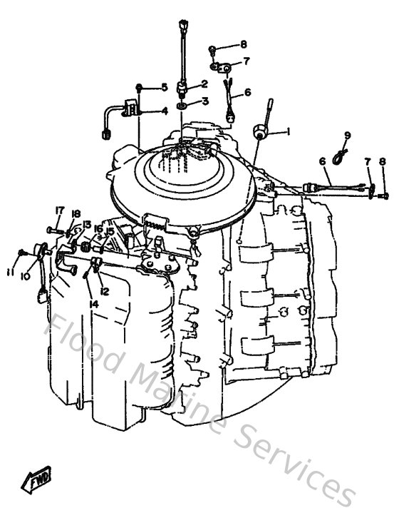
Diagram: Partie Electrique 4
Parts List
Reference
Description
Price
1
61A857800000
Sensor, knock
Loading…
↗
2
61A857900000
Thermosensor assembly
Loading…
↗
3
929901060000
Washer, plate
Loading…
↗
4
61A858950000
Crank position sender
Loading…
↗
5
978850501200
Screw,pan head (646)
Loading…
↗
6
61A825600000
Thermo switch assembly
Loading…
↗
7
61A8252U0000
Cover
Loading…
↗
8
970950601200
Bolt(gh1)
Loading…
↗
9
904651009800
Clamp
Loading…
↗
10
61A858850000
Throttle sensor assembly
Loading…
↗
11
979850521000
Screw, With Washer
Loading…
↗
12
6K7145730000
Lever
Loading…
↗
13
61A858860000
Bracket
Loading…
↗
14
916903001600
Pin, spring
Loading…
↗
15
9038705M0000
Collar(6k7)
Loading…
↗
16
9048010M2300
Grommet(6k7)
Loading…
↗
17
979850532500
Screw, With Washer
Loading…
↗
18
9020105M0300
Washer, plate(6k7)
Loading…
↗