Yamaha Outboard Parts - Power Trim & Tilt Assy - 150AETOL (1998) | Flood Marine
New Search
Parts
New Outboards
Home
150AETOL (1998)
Power Trim & Tilt Assy
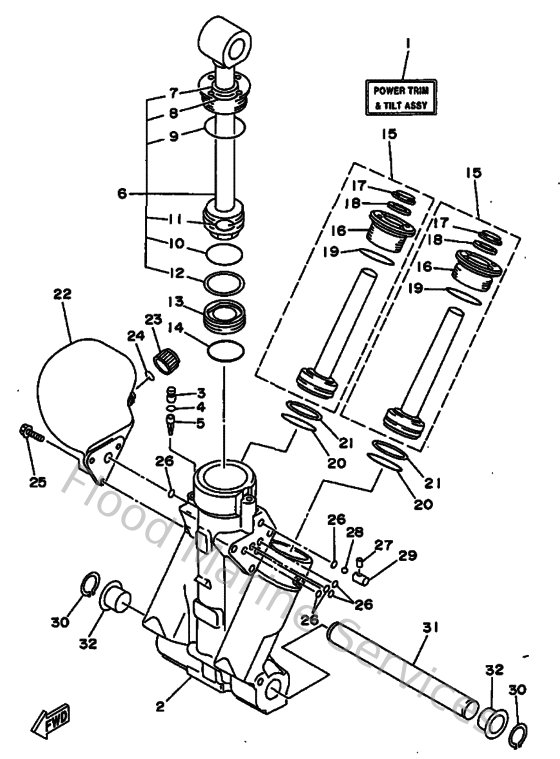
Diagram: Power Trim & Tilt Assy
Parts List
Reference
Description
Price
1
64E43800004D
Power trim & tilt assembly
Loading…
↗
2
64E438250000
Housing Trim & Tilt
Loading…
↗
3
6AW4388J0000
Plug 2
Loading…
↗
4
9321010M7400
O-ring
Loading…
↗
5
64E438170000
Filter 2
Loading…
↗
6
64E438100000
Tilt piston sub assembly
Loading…
↗
7
64E438980000
Seal, dust 2
Loading…
↗
8
64E438670000
O-ring 7
Loading…
↗
9
64E438660000
O-ring 6
Loading…
↗
10
6E5438620000
O-ring 2
Loading…
↗
11
64E438830000
O-ring 10
Loading…
↗
12
6E5438720000
Ring, back-up 2
Loading…
↗
13
6E5438140200
Piston, free
Loading…
↗
15
64E438200000
Trim piston sub assembly
Loading…
↗
16
64E438210800
Screw, trim cylinder end
Loading…
↗
17
64E438220000
Seal, trim dust
Loading…
↗
18
64E4384J0000
Seal, trim down
Loading…
↗
19
6G5438640000
O-ring 4
Loading…
↗
20
6E5438640000
O-ring 4
Loading…
↗
21
6E5438740100
Ring, back-up 4
Loading…
↗
22
64E438280100
Body, reservoir
Loading…
↗
23
64E438290000
Plug, reservoir
Loading…
↗
24
64E438970000
O-ring
Loading…
↗
25
64E4388E0100
Bolt ,screw (l:14mm)
Loading…
↗
26
64E438690000
O-ring 9
Loading…
↗
27
64E4381G0000
Pin 1
Loading…
↗
28
6E5438580000
Ball 1
Loading…
↗
29
64E4382G0000
Valve seat
Loading…
↗
30
9341022M1100
Circlip(61u)
Loading…
↗
31
64E438180000
Lower shock mount pin set
Loading…
↗
32
9038622M9800
Bush(61u)
Loading…
↗