Yamaha Outboard Parts - Power Trim & Tilt Assy - 60FETO (1985) | Flood Marine
New Search
Parts
New Outboards
Home
60FETO (1985)
Power Trim & Tilt Assy
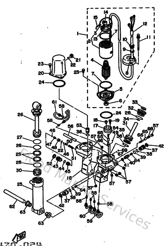
Diagram: Power Trim & Tilt Assy
Parts List
Reference
Description
Price
1
688438801000
Motor Assembly
Loading…
↗
4
688438050100
Armature assembly
Loading…
↗
5
688438810100
Frame, End
Loading…
↗
10
688438860200
Bolt
Loading…
↗
12
688438071000
Wire Sub Assembly
Loading…
↗
15
9050105M4600
Spring Brush (6E5)
Loading…
↗
18
688438310000
Connector Shaft
Loading…
↗
22
688438690000
O-Ring
Loading…
↗
23
688438790000
Screw, W/washer
Loading…
↗
24
688438670000
O-ring
Loading…
↗
27
688438630000
O-Ring
Loading…
↗
28
6E5438620000
O-ring 2
Loading…
↗
29
688438720000
Ring, back-up 2
Loading…
↗
31
6E5438200100
Piston Sub Assembly
Loading…
↗
32
6E5438210000
Screw, Trim Cylinderend
Loading…
↗
33
6E5438220000
Seal, trim dust
Loading…
↗
34
932101627500
O-ring
Loading…
↗
35
6E5438740000
Ring, back-up
Loading…
↗
36
9321033M4100
O-Ring (6E5)
Loading…
↗
37
688438020100
Valve Sub Assembly (Main)
Loading…
↗
38
688438640000
O-Ring 4
Loading…
↗
39
932101563900
O-ring (32n)
Loading…
↗
40
6E5438410000
Piston Shuttle
Loading…
↗
41
688438730000
Ring, Back Up
Loading…
↗
42
688438760000
Ring, Snap
Loading…
↗
44
688438660000
O-ring
Loading…
↗
45
688438460000
Screw, Manual Valve
Loading…
↗
46
688438580000
Ball
Loading…
↗
47
688438480000
Rod Manual Release
Loading…
↗
48
688438470000
Seat, Manual Valve
Loading…
↗
49
688438680000
O-ring 8
Loading…
↗
51
6E5438540000
Spring Manual Release
Loading…
↗
52
688438750000
Ring Snap
Loading…
↗
53
6E5438500000
Valve Sub-Assembly (Upper Relief)
Loading…
↗
54
688438560100
Spring, Down Relief
Loading…
↗
55
6E5438440100
Pin, Vlvsupportk
Loading…
↗
56
688438380000
Pipe, Intake
Loading…
↗
57
688438260000
Pulg Taper Screw
Loading…
↗
58
688438320000
Seat, union
Loading…
↗
62
6E5438180000
Pin, lower shock mount
Loading…
↗
63
9038618M1400
Bushing (6e5)
Loading…
↗
64
6E5438940000
Spring, Shuttle Return
Loading…
↗
67
6E5438770000
Ball
Loading…
↗
68
6E5438240000
Spring
Loading…
↗
2
688433760100
Bolt, thrust receiver
Loading…
↗
3
901850805700
Nut, nylon (6j8)
Loading…
↗
4
688836710000
Trim Gauge
Loading…
↗
5
688835160000
Bulb, pilot (t6.5, 12v-1.7w)
Loading…
↗
6
688835360000
Socket, meter
Loading…
↗
7
688836660000
Tube
Loading…
↗
8
6E5836720100
Trim sender
Loading…
↗
9
978900601600
Screw pan head
Loading…
↗
10
6E5825530000
Extension, Wire
Loading…
↗
11
9046415M0800
Clamp (6h1)
Loading…
↗
12
9046511M1000
Clamp
Loading…
↗