Yamaha Outboard Parts - Power Trim & Tilt Assy - L150AETOL (1988) | Flood Marine
New Search
Parts
New Outboards
Home
L150AETOL (1988)
Power Trim & Tilt Assy
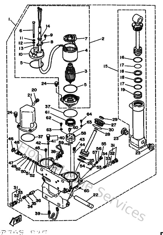
Diagram: Power Trim & Tilt Assy
Parts List
Reference
Description
Price
2
6G5438800000
Motor assembly
Loading…
↗
4
6G5438040000
Stator assembly
Loading…
↗
5
6G5438650000
O-ring
Loading…
↗
6
6G5438870000
Bolt
Loading…
↗
7
6G5438060000
Brush, Holder assembly
Loading…
↗
8
6G5438990000
Plate Stopper
Loading…
↗
9
6G5438860000
Bolt
Loading…
↗
10
6G5438840000
Frame, Commutator End
Loading…
↗
11
6G5438930000
Washer
Loading…
↗
13
6G5438670000
O-Ring
Loading…
↗
14
6G5438850000
Grommet
Loading…
↗
15
6G54380E0100
Tilt Cylinder Assembly
Loading…
↗
16
6E5438610000
O-ring 1
Loading…
↗
17
6G5438620000
O-ring
Loading…
↗
18
6E5438720000
Ring, back-up 2
Loading…
↗
19
6E5438140200
Piston, free
Loading…
↗
20
6E5438290000
Plug, reservoir
Loading…
↗
21
6E5438630000
O-ring
Loading…
↗
23
9038618M1400
Bushing (6e5)
Loading…
↗
24
9011906M4200
Bolt, with washer(6e5)
Loading…
↗
25
6G5438740000
Ring, back up
Loading…
↗
26
6G5438640000
O-ring 4
Loading…
↗
27
6G5438210000
Screw, trim cylinder end
Loading…
↗
28
6E5438650000
O-ring 5
Loading…
↗
29
6E5438220100
Seal, trim dust
Loading…
↗
30
6G5438610000
O-ring 1
Loading…
↗
31
6G5438020100
Valve sub assembly
Loading…
↗
32
6E5438660000
O-ring
Loading…
↗
33
6E5438670000
O-ring
Loading…
↗
34
6G5438940000
Spring, Shuttle Return
Loading…
↗
35
6E5438680000
O-Ring
Loading…
↗
36
6G5438410000
Piston, Shuttle
Loading…
↗
37
6E5438690000
O-ring 9
Loading…
↗
39
6G5438330000
Pipe
Loading…
↗
40
6G5438090000
Seat, Valve Comp 2
Loading…
↗
41
6E5438960000
O-ring
Loading…
↗
42
6G5438160000
Filter 1
Loading…
↗
43
6G5438080100
Seat, Valve Comp 1
Loading…
↗
44
6E5438830000
O-ring 10
Loading…
↗
45
6G5438030000
Case Valve Comp
Loading…
↗
46
6E5438750000
Ring, snap
Loading…
↗
47
9321018M7500
O-ring (6e5)
Loading…
↗
48
6G5438450000
Screw, Manual Release
Loading…
↗
49
9321010M7400
O-ring
Loading…
↗
50
6E54382A0000
Adaptor 1
Loading…
↗
51
6E5438540100
Spring, manual release
Loading…
↗
52
6E5438470000
Seat, manual valve
Loading…
↗
53
6G5438490000
Pin, Valve Support
Loading…
↗
55
6G5438420000
Screw, Valve Seat
Loading…
↗
56
6G5438630000
O-ring 3
Loading…
↗
57
6E5438240100
Spring Down Relief 2
Loading…
↗
61
6E5438171000
Filter 2
Loading…
↗
62
6G5438780100
Bolt, Socket
Loading…
↗
63
9020105M0000
Washer (6E5)
Loading…
↗
64
6G5438880100
Bolt, Socket
Loading…
↗