Yamaha Outboard Parts - Power Trim & Tilt Assy 1 - 60FETO (1990) | Flood Marine
New Search
Parts
New Outboards
Home
60FETO (1990)
Power Trim & Tilt Assy 1
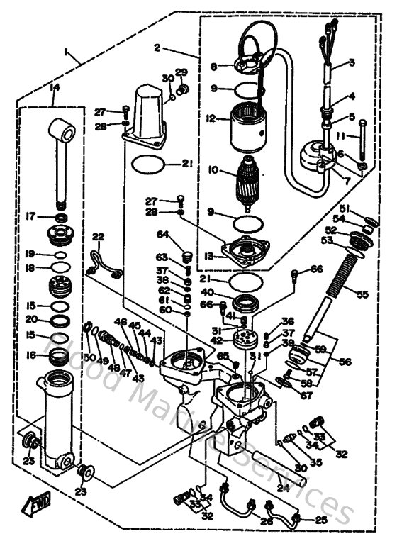
Diagram: Power Trim & Tilt Assy 1
Parts List
Reference
Description
Price
1
6H14380011EJ
Power Trim & Tilt assembly
Loading…
↗
2
6H1438800000
Motor Assembly
Loading…
↗
9
9321071M7600
O-Ring (6E5)
Loading…
↗
14
6H1438401000
Power tilt assembly
Loading…
↗
15
6H1438611000
O-ring
Loading…
↗
16
6H1438141000
Piston, free
Loading…
↗
17
6H1438720000
Ring, back up
Loading…
↗
19
6H14389H1000
O-ring
Loading…
↗
20
6H1438711000
Ring, back up
Loading…
↗
21
6H1438690000
O-ring
Loading…
↗
22
6H1438351000
Pipe
Loading…
↗
23
9038618M1400
Bushing (6e5)
Loading…
↗
24
6E5438180000
Pin, lower shock mount
Loading…
↗
25
6H1438331000
Pipe
Loading…
↗
26
6H1438340000
Pipe
Loading…
↗
27
973950602000
Bolt(7u8)
Loading…
↗
28
929900610000
Washer(6a1)
Loading…
↗
29
6H1438290000
Plug, reservoir
Loading…
↗
30
932100935000
O-ring
Loading…
↗
31
932100651900
O-ring(6h0)
Loading…
↗
32
6H1438021000
Valve sub assembly
Loading…
↗
34
6H1438670000
O-ring
Loading…
↗
35
6H1438411000
Piston, shuttle
Loading…
↗
36
6H1438561000
Spring, down relief
Loading…
↗
37
6H1438441000
Pin, valve support
Loading…
↗
38
6H14384G1000
Seal, relief valve
Loading…
↗
39
6H14384F0000
Seal, main valve
Loading…
↗
40
6H1438170000
Filter 2
Loading…
↗
41
6H1438310000
Connector, shaft
Loading…
↗
42
6H1438301000
Gear Pump Assembly
Loading…
↗
43
6H1438470000
Seat, manual valve
Loading…
↗
44
6H1438990000
Spring, manual release
Loading…
↗
45
6H14382A1000
Adaptor 1
Loading…
↗
46
6H1438540000
Spring, manual release
Loading…
↗
47
9321010M7400
O-ring
Loading…
↗
48
6H1438450100
Screw, manual release
Loading…
↗
49
9321018M7500
O-ring (6e5)
Loading…
↗
50
6H1438750000
Ring, snap
Loading…
↗
51
6H1438221000
Seal, trim dust
Loading…
↗
52
6H1438211000
Screw, trim cylinder end
Loading…
↗
54
903801610900
Bush, solid (22w)
Loading…
↗
56
6H1438201000
Trim Piston Sub assembly
Loading…
↗
57
6H1438640000
O-ring
Loading…
↗
58
913160602000
Bolt,socket
Loading…
↗
60
6H1438160000
Filter 1
Loading…
↗
61
932101136800
O-ring (2h7)
Loading…
↗
62
6H1438951200
Seat, relief valve
Loading…
↗
63
6H1438551000
Spring, up relief
Loading…
↗
65
6H14388E0000
Plug, Taper Screw
Loading…
↗
66
975010522500
Bolt, Wwasher
Loading…
↗
67
6H1438740000
Ring, back up
Loading…
↗
2
688438801100
Motor Assembly
Loading…
↗
3
6E5438040000
Stator Assembly
Loading…
↗
4
6E5438050000
Armature Assembly
Loading…
↗
6
6E5438840000
Frame, Commutator End
Loading…
↗
7
6E5438850000
Grommet
Loading…
↗
8
6E5438860000
Bolt
Loading…
↗
9
6E5438870000
Bolt
Loading…
↗
10
9020105M0100
Washer
Loading…
↗
11
688438071100
Wire Sub Assembly
Loading…
↗
13
6E5438610000
O-ring 1
Loading…
↗
14
6E5438620000
O-ring 2
Loading…
↗
15
6E5438720000
Ring, back-up 2
Loading…
↗
16
6E5438140100
Piston, free
Loading…
↗
17
6E5438290000
Plug, reservoir
Loading…
↗
18
6E5438630000
O-ring
Loading…
↗
21
9011906M4200
Bolt, with washer(6e5)
Loading…
↗
22
6E5438200300
Piston sub assembly
Loading…
↗
23
6E5438640000
O-ring 4
Loading…
↗
24
6E5438740100
Ring, back-up 4
Loading…
↗
25
6E5438210100
Screw, trim cylinder end
Loading…
↗
26
6E5438220100
Seal, trim dust
Loading…
↗
28
6E5438650000
O-ring 5
Loading…
↗
29
6E5438020000
Valve Sub Assembly
Loading…
↗
30
6E5438660000
O-ring
Loading…
↗
31
6E5438670000
O-ring
Loading…
↗
32
6E5438410100
Piston, Shuttle
Loading…
↗
33
6E5438680000
O-Ring
Loading…
↗
34
6E5438690000
O-ring 9
Loading…
↗
35
6E5438330100
Pipe 1
Loading…
↗
36
6E5438340100
Pipe 2
Loading…
↗
37
6E5438350100
Pipe
Loading…
↗
38
6E5438510000
Seat, relief valve
Loading…
↗
39
6E5438440200
Pin, Valve Support
Loading…
↗
40
6E5438580000
Ball 1
Loading…
↗
41
6E5438560000
Spring, down relief
Loading…
↗
42
6E5438830000
O-ring 10
Loading…
↗
43
6E5438430000
Screw, Valve Lock
Loading…
↗
44
6H3438550000
Spring, Up Relief
Loading…
↗
45
6E5438590000
Pin, valve support
Loading…
↗
46
6E5438770100
Ball 2
Loading…
↗
47
6E5438950000
Seat, relief valve 2
Loading…
↗
48
6E5438960000
O-ring
Loading…
↗
49
6E5438161000
Filter 1
Loading…
↗
50
6E5438171000
Filter 2
Loading…
↗
51
9010906M2100
Bolt (6e5)
Loading…
↗
52
6E5438970000
O-Ring
Loading…
↗
53
6E5438780100
Bolt, Socket
Loading…
↗
54
6E5438880100
Bolt, socket
Loading…
↗
55
6E5438310000
Connector, shaft
Loading…
↗
56
6E5438300000
Gear Pump assembly
Loading…
↗
57
9321007M7800
O-ring (6e5)
Loading…
↗
58
6E5438470000
Seat, manual valve
Loading…
↗
59
6E5438540100
Spring, manual release
Loading…
↗
60
6E54382A0000
Adaptor 1
Loading…
↗
62
6E5438450100
Screw, manual release
Loading…
↗
64
6E5438750000
Ring, snap
Loading…
↗
65
9020105M0000
Washer (6E5)
Loading…
↗
66
6E54381A0000
Shaft
Loading…
↗
67
6E5438490100
Pin, valve support
Loading…
↗
68
6E5438240100
Spring Down Relief 2
Loading…
↗
69
9321006M7700
O-Ring
Loading…
↗
70
6E5438420000
Screw, valve seat
Loading…
↗