Yamaha Outboard Parts - Power Trim & Tilt Assy 1 - 90AETOL (1995) | Flood Marine
New Search
Parts
New Outboards
Home
90AETOL (1995)
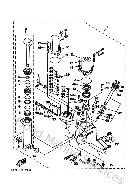
Power Trim & Tilt Assy 1
Diagram: Power Trim & Tilt Assy 1
Parts List
Reference
Description
Price
1
6H14380013EK
Pwr.trim&tilt Assembly
Loading…
↗
2
6H1438800200
Motor assembly
Loading…
↗
3
6H1438401100
Power tilt assembly
Loading…
↗
4
6H1438611000
O-ring
Loading…
↗
5
6H1438141100
Piston, free
Loading…
↗
6
6H1438721000
Ring, back up
Loading…
↗
7
6H1438610000
O-ring
Loading…
↗
8
932101832200
O-ring (1l9)
Loading…
↗
9
6H1438711000
Ring, back up
Loading…
↗
10
932106448800
93210-64488
Loading…
↗
11
6H1438351000
Pipe
Loading…
↗
12
6H1438281000
Body, reservoir
Loading…
↗
13
9038618M1400
Bushing (6e5)
Loading…
↗
14
6E5438180000
Pin, lower shock mount
Loading…
↗
15
6H1438331000
Pipe
Loading…
↗
16
6H1438340000
Pipe
Loading…
↗
17
973950602000
Bolt(7u8)
Loading…
↗
18
929900610000
Washer(6a1)
Loading…
↗
19
6H1438290000
Plug, reservoir
Loading…
↗
20
932100981100
O-ring
Loading…
↗
21
932100651900
O-ring(6h0)
Loading…
↗
22
6T4438020000
Valve sub assembly
Loading…
↗
23
6H1438660100
O-ring
Loading…
↗
24
6H1438670000
O-ring
Loading…
↗
25
6H1438411000
Piston, shuttle
Loading…
↗
26
6H1438561000
Spring, down relief
Loading…
↗
27
6H1438441000
Pin, valve support
Loading…
↗
28
6H14384G1100
Seal, relief valve
Loading…
↗
29
6H14384F1000
Seal, main valve
Loading…
↗
30
6H1438170100
Filter 2
Loading…
↗
31
6H1438311000
Connector, shaft
Loading…
↗
32
6H1438301100
Gear pump assembly
Loading…
↗
33
6H1438470000
Seat, manual valve
Loading…
↗
34
6H1438990000
Spring, manual release
Loading…
↗
35
6H14382A1000
Adaptor 1
Loading…
↗
36
6H1438540000
Spring, manual release
Loading…
↗
37
9321010M7400
O-ring
Loading…
↗
38
6H1438450100
Screw, manual release
Loading…
↗
39
9321018M7500
O-ring (6e5)
Loading…
↗
40
6H1438750000
Ring, snap
Loading…
↗
41
6H1438221000
Seal, trim dust
Loading…
↗
42
6H1438211100
Screw, trim cylinder end
Loading…
↗
44
6H14384E2000
Spring, trim
Loading…
↗
45
985010501000
Screw, pan head(62x)
Loading…
↗
46
929900520000
Ybs66-5 washer, plain
Loading…
↗
47
6H1438201100
Piston sub assembly
Loading…
↗
48
6H1438640000
O-ring
Loading…
↗
49
913160801600
Bolt, socket
Loading…
↗
50
6H1438740000
Ring, back up
Loading…
↗
51
6H1438160000
Filter 1
Loading…
↗
52
6H1438960000
O-ring (2h7)
Loading…
↗
53
6H1438951100
Seat, relief valve
Loading…
↗
54
6H1438551100
Spring, up relief
Loading…
↗
55
6H1438431100
Screw, valve lock
Loading…
↗
56
6H14388E1100
Plug, tapper screw
Loading…
↗
57
6H1438680000
O-ring
Loading…
↗
58
985110402500
Screw, pan head
Loading…
↗
59
929010410000
Ybs67-4 washer, spring
Loading…
↗
60
6H14387J0000
Washer, special 2
Loading…
↗
61
6H14385H0000
Spring, seal
Loading…
↗
62
935053203800
Ball(7fk)
Loading…
↗