Yamaha Outboard Parts - Power Trim & Tilt Assy 1 - F15AEP (2000) | Flood Marine
New Search
Parts
New Outboards
Home
F15AEP (2000)
Power Trim & Tilt Assy 1
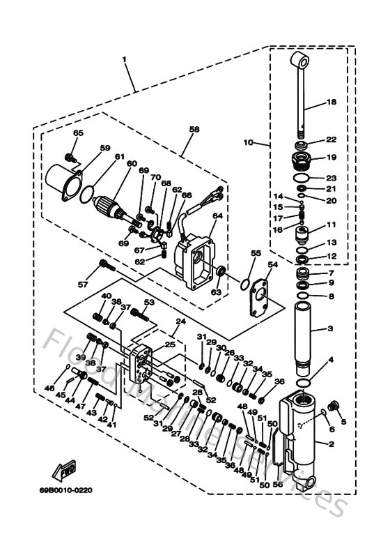
Diagram: Power Trim & Tilt Assy 1
Parts List
Reference
Description
Price
1
69A43840004D
Power tilt assembly
Loading…
↗
2
69A4380K0000
Cylinder, tilt sub assembly
Loading…
↗
3
69A224710000
Case, cylinder
Loading…
↗
4
932102766600
O-ring(47x)
Loading…
↗
5
6H14388E1100
Plug, tapper screw
Loading…
↗
6
932100700300
O-ring (11m)
Loading…
↗
7
69A438140000
Piston, free
Loading…
↗
8
932102100100
O-ring
Loading…
↗
9
69A438720000
Ring, back up
Loading…
↗
10
69A438100000
Piston sub assembly
Loading…
↗
11
69A4380D0000
Piston comp.
Loading…
↗
14
935053203800
Ball(7fk)
Loading…
↗
15
65W4386A0000
Pin, absorber valve
Loading…
↗
16
936040613600
Pin, dowel
Loading…
↗
17
69A438570000
Spring, absorber valve
Loading…
↗
18
69A438010000
Rod
Loading…
↗
19
69A438110000
Screw, cylinder end
Loading…
↗
20
6H1438660000
O-ring
Loading…
↗
21
69A438710000
Ring, back up
Loading…
↗
22
69A438120000
Seal, dust
Loading…
↗
23
69A438690000
O-ring
Loading…
↗
24
69A438300000
Gear pump assembly
Loading…
↗
25
69A4380C0000
Gear housing assembly
Loading…
↗
26
69A438410000
Piston, shuttle
Loading…
↗
27
69A4384M0000
Piston, shuttle 2
Loading…
↗
28
62Y438940000
Spring, shuttle return
Loading…
↗
29
69A4384F0000
Seal, main valve
Loading…
↗
30
6H1438830000
O-ring
Loading…
↗
31
990010360000
Circlip(6l5)
Loading…
↗
32
69A4382G0000
Valve Seat
Loading…
↗
33
9321012N5200
O-ring
Loading…
↗
34
6T4438080000
Seat valve comp. 1
Loading…
↗
35
6T4438530000
Spring, main valve
Loading…
↗
36
6H1438160000
Filter 1
Loading…
↗
37
6H14384G1100
Seal, relief valve
Loading…
↗
38
6H1438441000
Pin, valve support
Loading…
↗
39
69A438550000
Spring, up relief
Loading…
↗
40
6H1438561000
Spring, down relief
Loading…
↗
41
935010800100
Ball
Loading…
↗
42
69A4386A0000
Pin, absorber valve
Loading…
↗
43
69A438240000
Spring, down relief 2
Loading…
↗
44
69A438480000
Rod, manual release
Loading…
↗
45
936021525000
Pin, dowel
Loading…
↗
46
932100600100
O-ring (26h)
Loading…
↗
47
69A438540000
Spring, manual release
Loading…
↗
48
69A4381G0000
Pin 1
Loading…
↗
51
69A4384H0000
Spring
Loading…
↗
52
936061408100
Pin,dowel(296)
Loading…
↗
53
913170502500
Bolt, socket
Loading…
↗
54
69A438160000
Filter 1
Loading…
↗
55
N35438621000
O-ring
Loading…
↗
56
69A231290000
Gasket, drain plug
Loading…
↗
57
69A438780000
Bolt, socket
Loading…
↗
58
69A438800000
Motor assembly
Loading…
↗
59
65W438040000
Stator assembly
Loading…
↗
60
65W438050000
Armature assembly
Loading…
↗
61
65W438690000
O-ring
Loading…
↗
62
65W4386K0000
Spring, brush
Loading…
↗
63
65W438820000
Oil seal
Loading…
↗
64
69A438810000
Frame, End
Loading…
↗
65
65W438870000
Bolt, screw
Loading…
↗
66
65W438920000
Brush 2
Loading…
↗
67
65W438910000
Brush 1
Loading…
↗
68
65W4380F0000
Plate, brush holder
Loading…
↗
69
65W438790000
Screw, with washer
Loading…
↗
70
65W4388E0000
Bolt
Loading…
↗