Yamaha Outboard Parts - Power Trim & Tilt Assy 1 - L225FETO (1997) | Flood Marine
New Search
Parts
New Outboards
Home
L225FETO (1997)
Power Trim & Tilt Assy 1
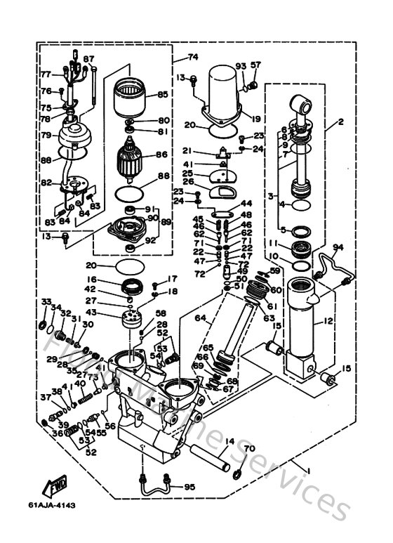
Diagram: Power Trim & Tilt Assy 1
Parts List
Reference
Description
Price
1
61A43800254D
Power trim & tilt assembly
Loading…
↗
2
61A438400100
Power tilt assembly
Loading…
↗
3
61A438100000
Tilt piston sub assembly
Loading…
↗
4
6H1438611000
O-ring
Loading…
↗
5
61A438710000
Ring, back up
Loading…
↗
6
9310619N5000
Oil seal
Loading…
↗
7
6H1438610000
O-ring
Loading…
↗
8
6H1438721000
Ring, back up
Loading…
↗
9
61A4389H0000
O-ring
Loading…
↗
11
6H1438141100
Piston, free
Loading…
↗
12
61A438130200
Cylinder, tilt
Loading…
↗
13
975950642000
Bolt(7u8)
Loading…
↗
14
61A438180000
Pin, lower shock mount
Loading…
↗
15
9038618M1400
Bushing (6e5)
Loading…
↗
16
6H1438170000
Filter 2
Loading…
↗
17
985110403000
Screw, Pan Head
Loading…
↗
18
929900410000
Ybs67-4 washer, spring
Loading…
↗
19
61A438280000
Body, reservoir
Loading…
↗
20
6H1438690000
O-ring
Loading…
↗
21
61A4384L0000
Spring Trim Down
Loading…
↗
22
6T4438510000
Seat, relief valve
Loading…
↗
23
985170501000
Screw, pan head(3la)
Loading…
↗
24
929900510000
Ybs67-5 washer, spring
Loading…
↗
25
61A4384K0000
Plate, trim down
Loading…
↗
26
61A4384J0000
Seal, trim down
Loading…
↗
27
93210064A500
O-ring(61a)
Loading…
↗
28
935053203800
Ball(7fk)
Loading…
↗
29
61A438750000
Ring, snap
Loading…
↗
30
61A438480000
Rod, manual release
Loading…
↗
31
61A438540000
Spring, manual release
Loading…
↗
32
61A438450000
Screw, manual release
Loading…
↗
33
6H1438750000
Ring, snap
Loading…
↗
34
932101839700
O-ring (6g5)
Loading…
↗
35
61A438470000
Seat, manual valve
Loading…
↗
36
6T4438760000
Ring, snap
Loading…
↗
37
932100754000
O-ring (11m)
Loading…
↗
38
932100663200
O-ring (26h)
Loading…
↗
39
6T4438490000
Pin, valve support
Loading…
↗
40
61A4385H0000
Spring, seal
Loading…
↗
41
6H14384F1000
Seal, main valve
Loading…
↗
42
6H1438310000
Connector, shaft
Loading…
↗
43
6T4438300000
Gear pump assembly
Loading…
↗
44
61A4382K0000
Cap, relief valve
Loading…
↗
45
6H1438561000
Spring, down relief
Loading…
↗
46
6T4438440000
Pin, valve support
Loading…
↗
47
6T44384G0000
Seal, relief valve
Loading…
↗
48
6T4438550000
Spring, up relief
Loading…
↗
49
6T4438950000
Seat, relief valve
Loading…
↗
50
9321010M7400
O-ring
Loading…
↗
51
6H1438160000
Filter 1
Loading…
↗
52
6T4438020300
Valve sub assembly
Loading…
↗
53
6H1438660000
O-ring
Loading…
↗
54
9321012N5200
O-ring
Loading…
↗
55
6T4438410000
Piston, shuttle
Loading…
↗
56
932100935000
O-ring
Loading…
↗
57
6H1438290000
Plug, reservoir
Loading…
↗
58
61A438780000
Bolt, socket
Loading…
↗
59
6T4438750000
Ring, snap
Loading…
↗
60
61A438220000
Seal, trim dust
Loading…
↗
61
61A438210000
Screw, trim cylinder end
Loading…
↗
62
916091001400
Pin, spring(61a)
Loading…
↗
64
61A438201100
Trim piston sub assembly
Loading…
↗
65
61A438740000
Ring, back up
Loading…
↗
66
61A438640000
O-ring
Loading…
↗
67
61A438751000
Ring, snap
Loading…
↗
68
61A4383H1000
Hose, oil 5
Loading…
↗
69
6H14384H1000
Spring
Loading…
↗
70
61A438760000
Ring, snap
Loading…
↗
71
6T4438930000
Washer
Loading…
↗
72
935010800100
Ball
Loading…
↗
73
61A4382A0000
Adaptor 1
Loading…
↗
74
61A438800200
Motor assembly
Loading…
↗
75
6T44386J0000
Washer, special
Loading…
↗
76
901570510700
Screw, pan head(61a)
Loading…
↗
77
61A438070000
Wire sub assembly
Loading…
↗
78
6T4438850000
Grommet
Loading…
↗
79
61A438840100
Frame, commutator end
Loading…
↗
80
902061408600
Washer, wave(6t4)
Loading…
↗
81
933006082000
Bearing(6t4)
Loading…
↗
82
61A438060000
Brush holder assembly
Loading…
↗
83
61A4386K0000
Spring, brush
Loading…
↗
84
61A438910000
Brush
Loading…
↗
85
61A438040100
Stator assembly
Loading…
↗
86
61A438050100
Armature assembly
Loading…
↗
87
61A438870000
Bolt, through
Loading…
↗
88
932107278900
O-ring(61a)
Loading…
↗
89
61A438810100
Frame, end
Loading…
↗
90
61A438811100
Frame, End
Loading…
↗
92
931020841400
Oil seal(61a)
Loading…
↗
93
6H1438670000
O-ring
Loading…
↗
94
61A438350100
Pipe
Loading…
↗
95
61A438330100
Pipe
Loading…
↗