Yamaha Outboard Parts - Power Trim & Tilt Assy 1 - L250AETO (1991) | Flood Marine
New Search
Parts
New Outboards
Home
L250AETO (1991)
Power Trim & Tilt Assy 1
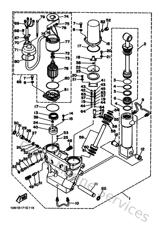
Diagram: Power Trim & Tilt Assy 1
Parts List
Reference
Description
Price
1
61A4380020EK
Power Trim & Tilt assembly
Loading…
↗
2
61A438400000
Power Tilt Assembly
Loading…
↗
3
6H1438610000
O-ring
Loading…
↗
4
61A438610000
O-ring
Loading…
↗
5
65W438710000
Ring, back up
Loading…
↗
6
6H1438140000
Piston, free
Loading…
↗
7
973950602000
Bolt(7u8)
Loading…
↗
8
929950610000
Washer(6a1)
Loading…
↗
9
61A438350000
Pipe
Loading…
↗
10
61A438330000
Pipe
Loading…
↗
11
61A438180000
Pin, lower shock mount
Loading…
↗
12
9038618M1400
Bushing (6e5)
Loading…
↗
13
6H1438170000
Filter 2
Loading…
↗
14
985010403000
Screw, Pan Head
Loading…
↗
15
929010410000
Ybs67-4 washer, spring
Loading…
↗
16
61A438280000
Body, reservoir
Loading…
↗
17
6H1438690000
O-ring
Loading…
↗
18
61A4384L0000
Spring Trim Down
Loading…
↗
19
6T4438510000
Seat, relief valve
Loading…
↗
20
985010501000
Screw, pan head(62x)
Loading…
↗
21
929010510000
Ybs67-5 washer, spring
Loading…
↗
22
61A4384K0000
Plate, trim down
Loading…
↗
23
61A4384J0000
Seal, trim down
Loading…
↗
24
932100651900
O-ring(6h0)
Loading…
↗
25
935053203800
Ball(7fk)
Loading…
↗
26
61A438750000
Ring, snap
Loading…
↗
27
61A438480000
Rod, manual release
Loading…
↗
28
61A438540000
Spring, manual release
Loading…
↗
29
61A438450000
Screw, manual release
Loading…
↗
30
6H1438750000
Ring, snap
Loading…
↗
31
9321018M7500
O-ring (6e5)
Loading…
↗
32
61A438470000
Seat, manual valve
Loading…
↗
33
6T4438760000
Ring, snap
Loading…
↗
34
6H1438680000
O-ring
Loading…
↗
35
932100663200
O-ring (26h)
Loading…
↗
36
6T4438490000
Pin, valve support
Loading…
↗
37
61A4385H0000
Spring, seal
Loading…
↗
38
6H14384F1000
Seal, main valve
Loading…
↗
39
6H1438310000
Connector, shaft
Loading…
↗
40
6T4438300000
Gear pump assembly
Loading…
↗
41
61A4382K0000
Cap, relief valve
Loading…
↗
42
6H1438561000
Spring, down relief
Loading…
↗
43
6T4438440000
Pin, valve support
Loading…
↗
44
6T44384G0000
Seal, relief valve
Loading…
↗
45
6T4438550000
Spring, up relief
Loading…
↗
46
6T4438950000
Seat, relief valve
Loading…
↗
47
9321010M7400
O-ring
Loading…
↗
48
6H1438160000
Filter 1
Loading…
↗
49
6T4438020000
Valve sub assembly
Loading…
↗
50
6T4438410000
Piston, shuttle
Loading…
↗
51
932100935000
O-ring
Loading…
↗
52
6H1438290000
Plug, reservoir
Loading…
↗
53
61A438780000
Bolt, socket
Loading…
↗
54
6T4438750000
Ring, snap
Loading…
↗
55
61A438220000
Seal, trim dust
Loading…
↗
56
61A438210000
Screw, trim cylinder end
Loading…
↗
57
916091001400
Pin, spring(61a)
Loading…
↗
59
61A438200000
Piston Sub Assembly
Loading…
↗
60
61A438740000
Ring, back up
Loading…
↗
61
61A438640000
O-ring
Loading…
↗
62
61A438760000
Ring, snap
Loading…
↗
63
6T4438930000
Washer
Loading…
↗
64
935010800100
Ball
Loading…
↗
65
61A4382A0000
Adaptor 1
Loading…
↗
66
61A438800000
Motor assembly
Loading…
↗
67
6T44386J0000
Washer, special
Loading…
↗
68
901570510700
Screw, pan head(61a)
Loading…
↗
69
61A438070000
Wire sub assembly
Loading…
↗
70
6T4438850000
Grommet
Loading…
↗
71
61A438840000
Frame, commutator end
Loading…
↗
72
902061408600
Washer, wave(6t4)
Loading…
↗
73
933006082000
Bearing(6t4)
Loading…
↗
74
61A438060000
Brush holder assembly
Loading…
↗
75
61A4386K0000
Spring, brush
Loading…
↗
76
61A438910000
Brush
Loading…
↗
77
61A438040000
Stator assembly
Loading…
↗
78
61A438050000
Armature assembly
Loading…
↗
79
61A438870000
Bolt, through
Loading…
↗
80
932107278900
O-ring(61a)
Loading…
↗
81
61A438810000
Frame, end
Loading…
↗