Yamaha Outboard Parts - Power Trim & Tilt Assy 2 - 60FETO (1987) | Flood Marine
New Search
Parts
New Outboards
Home
60FETO (1987)
Power Trim & Tilt Assy 2
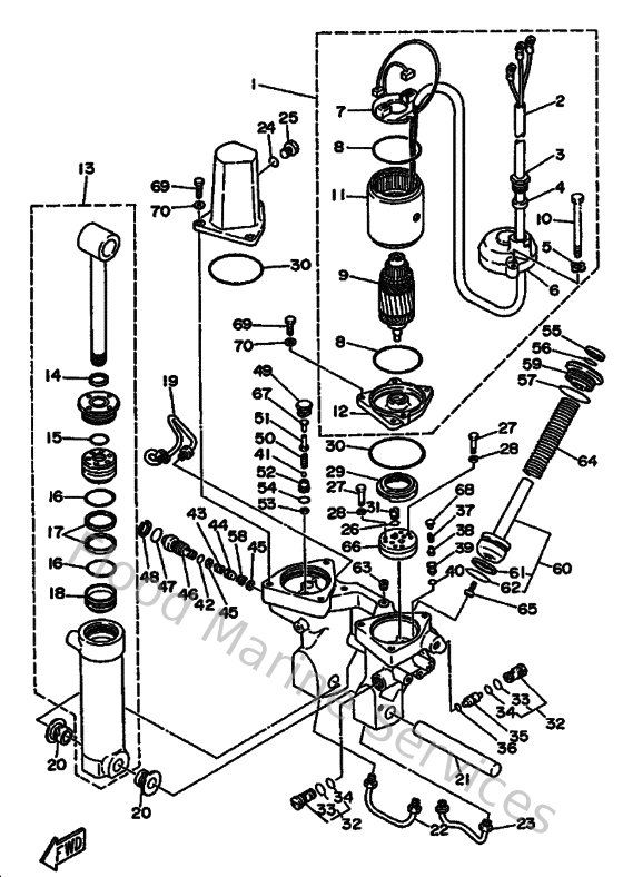
Diagram: Power Trim & Tilt Assy 2
Parts List
Reference
Description
Price
1
6H1438800000
Motor Assembly
Loading…
↗
8
9321071M7600
O-Ring (6E5)
Loading…
↗
14
6H1438720000
Ring, back up
Loading…
↗
15
6H1438610000
O-ring
Loading…
↗
16
6H1438620000
O-ring
Loading…
↗
17
6H1438710000
Ring, back up
Loading…
↗
18
6H1438141100
Piston, free
Loading…
↗
19
6H1438350000
Pipe
Loading…
↗
20
9038618M1400
Bushing (6e5)
Loading…
↗
21
6E5438180000
Pin, lower shock mount
Loading…
↗
22
6H1438340000
Pipe
Loading…
↗
23
6H1438330000
Pipe
Loading…
↗
24
932100916500
O-ring
Loading…
↗
25
6H1438290000
Plug, reservoir
Loading…
↗
26
932100651900
O-ring(6h0)
Loading…
↗
27
970170502500
Bolt
Loading…
↗
28
929010560000
Washer, plain (646)
Loading…
↗
29
6H1438170000
Filter 2
Loading…
↗
30
6H1438690000
O-ring
Loading…
↗
31
6H1438310000
Connector, shaft
Loading…
↗
33
6H1438660100
O-ring
Loading…
↗
34
6H1438670000
O-ring
Loading…
↗
36
6H1438680000
O-ring
Loading…
↗
37
6H1438560000
Spring, Down Relief
Loading…
↗
39
6H1438510000
Seat, Relief Valve
Loading…
↗
40
6H1438830000
O-ring
Loading…
↗
41
935053203800
Ball(7fk)
Loading…
↗
42
9321010M7400
O-ring
Loading…
↗
43
6H1438540000
Spring, manual release
Loading…
↗
44
6H14382A0000
Adaptor 1
Loading…
↗
45
6H1438470000
Seat, manual valve
Loading…
↗
46
6H1438450000
Screw, manual release
Loading…
↗
47
9321018M7500
O-ring (6e5)
Loading…
↗
48
6H1438750000
Ring, snap
Loading…
↗
50
6H1438550000
Spring, Up Relief
Loading…
↗
51
6H1438590000
Pin, Valve Support
Loading…
↗
53
6H1438160000
Filter 1
Loading…
↗
54
6H1438960000
O-ring (2h7)
Loading…
↗
55
6H1438220000
Seal, trim dust
Loading…
↗
56
932101627500
O-ring
Loading…
↗
58
6H1438990000
Spring, manual release
Loading…
↗
59
6H1438210000
Screw, Trim Cylinder.end
Loading…
↗
60
6H1438200000
Piston Sub Assembly
Loading…
↗
61
6H1438740000
Ring, back up
Loading…
↗
62
6H1438640000
O-ring
Loading…
↗
64
6H14384E0000
Spring, Trim
Loading…
↗
65
913180602000
Bolt,socket
Loading…
↗
66
6H1438301000
Gear Pump Assembly
Loading…
↗
67
6H14381G0000
Pin 1
Loading…
↗
68
6H14381H0000
Pin 2
Loading…
↗
69
973950602000
Bolt(7u8)
Loading…
↗
70
929900610000
Washer(6a1)
Loading…
↗