Yamaha Outboard Parts - Power Trim & Tilt Assy 2 - 60FETO (1989) | Flood Marine
New Search
Parts
New Outboards
Home
60FETO (1989)
Power Trim & Tilt Assy 2
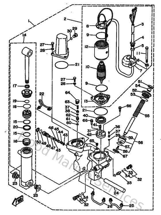
Diagram: Power Trim & Tilt Assy 2
Parts List
Reference
Description
Price
1
6H14380010EJ
Power Trim & Tilt assembly
Loading…
↗
2
6H1438800000
Motor Assembly
Loading…
↗
9
9321071M7600
O-Ring (6E5)
Loading…
↗
14
6H1438401000
Power tilt assembly
Loading…
↗
15
6H1438611000
O-ring
Loading…
↗
16
6H1438141100
Piston, free
Loading…
↗
17
6H1438720000
Ring, back up
Loading…
↗
18
6H1438610000
O-ring
Loading…
↗
20
6H1438711000
Ring, back up
Loading…
↗
21
6H1438690000
O-ring
Loading…
↗
22
6H1438351000
Pipe
Loading…
↗
23
9038618M1400
Bushing (6e5)
Loading…
↗
24
6E5438180000
Pin, lower shock mount
Loading…
↗
25
6H1438331000
Pipe
Loading…
↗
26
6H1438340000
Pipe
Loading…
↗
27
973950602000
Bolt(7u8)
Loading…
↗
28
929900610000
Washer(6a1)
Loading…
↗
29
6H1438290000
Plug, reservoir
Loading…
↗
30
932100651900
O-ring(6h0)
Loading…
↗
33
6H1438660000
O-ring
Loading…
↗
34
6H1438670000
O-ring
Loading…
↗
35
999990303100
Piston, shuttle
Loading…
↗
36
6H1438561000
Spring, down relief
Loading…
↗
37
6H1438441000
Pin, valve support
Loading…
↗
38
6H14384G1000
Seal, relief valve
Loading…
↗
39
6H14384F0000
Seal, main valve
Loading…
↗
40
6H1438170000
Filter 2
Loading…
↗
41
6H1438310000
Connector, shaft
Loading…
↗
42
6H1438301000
Gear Pump Assembly
Loading…
↗
43
6H1438470000
Seat, manual valve
Loading…
↗
44
6H1438990000
Spring, manual release
Loading…
↗
47
9321010M7400
O-ring
Loading…
↗
48
6H1438450100
Screw, manual release
Loading…
↗
49
9321018M7500
O-ring (6e5)
Loading…
↗
50
6H1438750000
Ring, snap
Loading…
↗
51
6H1438221000
Seal, trim dust
Loading…
↗
52
6H1438211000
Screw, trim cylinder end
Loading…
↗
54
903801610900
Bush, solid (22w)
Loading…
↗
56
6H1438201000
Trim Piston Sub assembly
Loading…
↗
57
6H1438640000
O-ring
Loading…
↗
58
913170602000
Bolt,socket
Loading…
↗
60
6H1438160000
Filter 1
Loading…
↗
62
6H1438951200
Seat, relief valve
Loading…
↗
65
6H14388E0000
Plug, Taper Screw
Loading…
↗
67
6H1438740000
Ring, back up
Loading…
↗