Yamaha Outboard Parts - Power Trim & Tilt Assy 2 - L200FETOL (1997) | Flood Marine
New Search
Parts
New Outboards
Home
L200FETOL (1997)
Power Trim & Tilt Assy 2
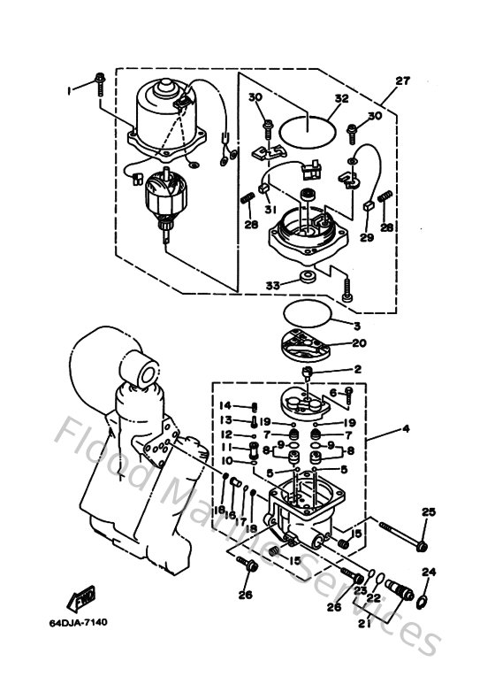
Diagram: Power Trim & Tilt Assy 2
Parts List
Reference
Description
Price
1
64E4388E1000
Bolt ,screw (l:34.7mm)
Loading…
↗
2
64E438310000
Connector, shaft
Loading…
↗
3
64E438680000
O-ring 8
Loading…
↗
4
6CB438300000
Gear pump assembly
Loading…
↗
5
72X438580000
Ball
Loading…
↗
6
64E438431000
Screw valve lock
Loading…
↗
7
64E438410000
Piston, shuttle
Loading…
↗
8
64E438020000
Valve sub assembly
Loading…
↗
9
6E5438960000
O-ring
Loading…
↗
10
6G5438630000
O-ring 3
Loading…
↗
11
64E438510000
Seat, Relief Valve
Loading…
↗
12
64E438580000
Ball
Loading…
↗
13
64E438590000
Pin, Valve Support
Loading…
↗
14
64E438550000
Spring, up relief
Loading…
↗
15
6E5438260100
Plug, taper screw
Loading…
↗
16
64E438500000
Valve sub assembly
Loading…
↗
17
64E438650000
O-ring 10
Loading…
↗
18
64E438160000
Filter 1
Loading…
↗
20
64E438171100
Filter 2
Loading…
↗
21
64E438600000
Manual valve sub-assembly
Loading…
↗
22
72X85075L000
O-ring (nsd161)
Loading…
↗
23
64E438270000
Ring set
Loading…
↗
24
64E438750000
Ring, snap
Loading…
↗
25
64E438791000
Screw, with washer
Loading…
↗
26
64E438790100
Screw, with washer
Loading…
↗
27
64E438800000
Motor assembly
Loading…
↗
28
6H14386K1000
Spring, brush
Loading…
↗
29
64E438910000
Brush 1
Loading…
↗
30
985070401000
Screw, pan head(6g8)
Loading…
↗
31
64E438920000
Breaker comp. (brush 2)
Loading…
↗
32
6G5438650000
O-ring
Loading…
↗
33
9310208M4300
Oil seal(6b0)
Loading…
↗