Yamaha Outboard Parts - Remo Con Attachment - 30DMHO (1989) | Flood Marine
New Search
Parts
New Outboards
Home
30DMHO (1989)
Remo Con Attachment
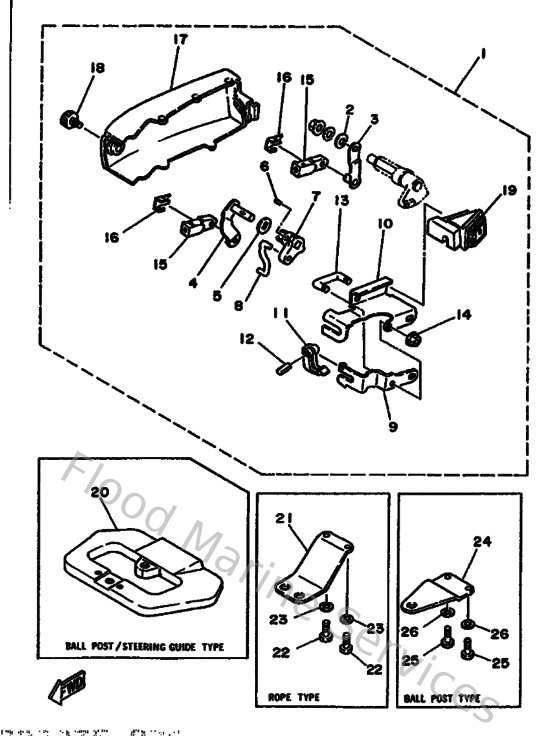
Diagram: Remo Con Attachment
Parts List
Reference
Description
Price
2
929900810000
Ybs67-8 washer, spring
Loading…
↗
3
6J8485340000
Throttle lever, control
Loading…
↗
4
6J8485440100
Lever, shiftcontrol
Loading…
↗
5
6J8441770000
Washer
Loading…
↗
6
916903031600
Pin, spring
Loading…
↗
7
6J8441730200
Lever, shift control
Loading…
↗
8
6J8421690100
Joint
Loading…
↗
9
6J8485310000
Bracket, remote control
Loading…
↗
10
6J8485320000
Bracket, remote control 2
Loading…
↗
11
682485385000
Clamp, cable
Loading…
↗
12
916903001200
Pin, spring
Loading…
↗
13
9010906M2900
Bolt(6j8)
Loading…
↗
14
9017906M1200
Nut(6j8)
Loading…
↗
15
6G8263630000
End, wire 1
Loading…
↗
16
6G8263640000
End, wire 2
Loading…
↗
17
6J8427232000
Cover, Bottom
Loading…
↗
18
6J8428460000
Screw
Loading…
↗
19
6J8427241000
Grommet
Loading…
↗
20
6J84851100EJ
Hook, steering
Loading…
↗
21
6G8485110000
Hook, steering
Loading…
↗
22
973950601600
Bolt, hexagon deep recess
Loading…
↗
23
929900660000
Washer, plain (646)
Loading…
↗
24
6G8485111000
Hook, steering
Loading…
↗